Bremen ab K 20001
Blaupunkt (Ideal), Berlin, später Hildesheim
- Country
- Germany
- Manufacturer / Brand
- Blaupunkt (Ideal), Berlin, später Hildesheim
- Year
- 1956
- Category
- Car Radio, perhaps also + sound player/recorder
- Radiomuseum.org ID
- 270865
-
- alternative name: Ideal-Radiotelephon- und App-fabr. || Ideal-Werke AG; Berlin (ab 1934)
- Brand: Rotstern
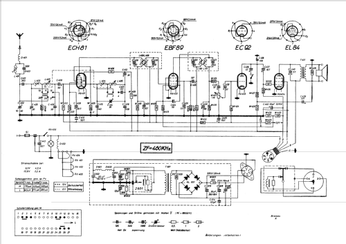
Click on the schematic thumbnail to request the schematic as a free document.
- Number of Tubes
- 4
- Number of Transistors
- Semiconductors
- SM702/1Z or. SM702/2Z Tr.Gl.=Metal-rectif.
- Main principle
- Superheterodyne (common); ZF/IF 460 kHz
- Tuned circuits
- 6 AM circuit(s)
- Wave bands
- Broadcast (MW) and Long Wave.
- Power type and voltage
- Storage Battery for all (e.g. for car radios and amateur radios) / 6/12 Volt
- Loudspeaker
- - This model requires external speaker(s).
- Material
- Metal case
- from Radiomuseum.org
- Model: Bremen ab K 20001 - Blaupunkt Ideal, Berlin,
- Shape
- Chassis only or for «building in»
- Dimensions (WHD)
- 188 x 82 x 168 mm / 7.4 x 3.2 x 6.6 inch
- Mentioned in
- -- Original-techn. papers.
- Author
- Model page created by Richard Winter. See "Data change" for further contributors.
- Other Models
-
Here you find 3615 models, 3308 with images and 2357 with schematics for wireless sets etc. In French: TSF for Télégraphie sans fil.
All listed radios etc. from Blaupunkt (Ideal), Berlin, später Hildesheim
Collections
The model Bremen is part of the collections of the following members.