Derby Automatic 95700 Serie W ab 100001
Blaupunkt (Ideal), Berlin, später Hildesheim
- Country
- Germany
- Manufacturer / Brand
- Blaupunkt (Ideal), Berlin, später Hildesheim
- Year
- 1965/1966
- Category
- Broadcast Receiver - or past WW2 Tuner
- Radiomuseum.org ID
- 85293
-
- alternative name: Ideal-Radiotelephon- und App-fabr. || Ideal-Werke AG; Berlin (ab 1934)
- Brand: Rotstern
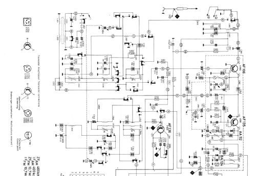
Click on the schematic thumbnail to request the schematic as a free document.
- Number of Transistors
- 11
- Main principle
- Superheterodyne (common); ZF/IF 460/10700 kHz
- Tuned circuits
- 7 AM circuit(s) 10 FM circuit(s)
- Wave bands
- Broadcast, Long Wave, Short Wave plus FM or UHF.
- Power type and voltage
- Dry Batteries / 6 × 1,5 Volt
- Loudspeaker
- Permanent Magnet Dynamic (PDyn) Loudspeaker (moving coil) / Ø 10 cm = 3.9 inch
- Power out
- 2 W (unknown quality)
- Material
- Plastics (no bakelite or catalin)
- from Radiomuseum.org
- Model: Derby Automatic 95700 Serie W [ab 100001] - Blaupunkt Ideal, Berlin,
- Shape
- Portable set > 8 inch (also usable without mains)
- Dimensions (WHD)
- 270 x 197 x 82 mm / 10.6 x 7.8 x 3.2 inch
- Notes
-
Betrieb im Auto über Autohalterung HV560/570 aus 6-V- und 12-V-Autobatterie oder zusätzlichem Netzteil möglich, dann NF-Ausgangsleistung 3 W.
Im VDRG-Handbuch 1965/66 als "Derby Automatic 95.700" bezeichnet.
- Net weight (2.2 lb = 1 kg)
- 3.2 kg / 7 lb 0.8 oz (7.048 lb)
- Source of data
- Handbuch VDRG 1965/1966
- Mentioned in
- -- Original-techn. papers.
- Author
- Model page created by Bernd Pötzsch. See "Data change" for further contributors.
- Other Models
-
Here you find 3612 models, 3305 with images and 2357 with schematics for wireless sets etc. In French: TSF for Télégraphie sans fil.
All listed radios etc. from Blaupunkt (Ideal), Berlin, später Hildesheim
Collections
The model Derby Automatic is part of the collections of the following members.
Forum contributions about this model: Blaupunkt Ideal,: Derby Automatic 95700 Serie W
Threads: 1 | Posts: 2
Hallo,
bin gerade bei der Reparatur dieses Gerätes - weiß jemand, wie man die 4 Drehknöpfe abbekommt ? Sie gehen nicht nach oben abzuziehen, also vermute ich eine Befestigung an der Achse unterhalb der Skala, stelle die Frage aber erstmal hier in die Runde bevor ich die komplette Skala mitsamt umlaufender Blende löse, denn das erscheint sehr aufwändig.
Viele Grüße
L.Jänicke
bin gerade bei der Reparatur dieses Gerätes - weiß jemand, wie man die 4 Drehknöpfe abbekommt ? Sie gehen nicht nach oben abzuziehen, also vermute ich eine Befestigung an der Achse unterhalb der Skala, stelle die Frage aber erstmal hier in die Runde bevor ich die komplette Skala mitsamt umlaufender Blende löse, denn das erscheint sehr aufwändig.
Viele Grüße
L.Jänicke
Lutz Jänicke, 09.Jul.06