Volksempfänger VE301Wn
Brandt (Roland Brandt); Berlin
- Country
- Germany
- Manufacturer / Brand
- Brandt (Roland Brandt); Berlin
- Year
- 1937

- Category
- Broadcast Receiver - or past WW2 Tuner
- Radiomuseum.org ID
- 217100
-
- alternative name: Motorfahrzeug-Fabrik
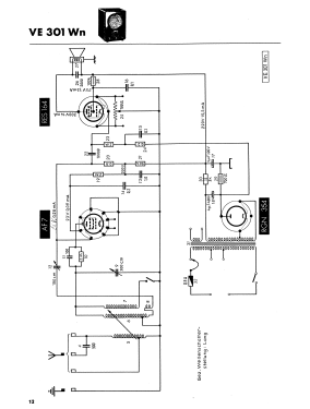
Click on the schematic thumbnail to request the schematic as a free document.
- Number of Tubes
- 3
- Main principle
- TRF with regeneration; 1 AF stage(s)
- Tuned circuits
- 1 AM circuit(s)
- Wave bands
- Broadcast (MW) and Long Wave.
- Power type and voltage
- Alternating Current supply (AC) / 110-220 Volt
- Loudspeaker
- Magnetic loudspeaker (reed) of high quality (free mooving - only possible past 1931). / Ø 24 cm = 9.4 inch
- Material
- Bakelite case
- from Radiomuseum.org
- Model: Volksempfänger VE301Wn - Brandt Roland Brandt; Berlin
- Shape
- Tablemodel, high profile (upright - NOT Cathedral nor decorative).
- Dimensions (WHD)
- 280 x 390 x 158 mm / 11 x 15.4 x 6.2 inch
- Notes
- Der VE301Wn bekam verbesserte Empfangseigenschaften durch Pentodenaudion. Schwenkspule zur Antennenkopplung ersetzt die 7fach angezapfte Käfigspule. Deshalb hat der VE301Wn keine linksseitige Bucht für die vielen Antennenbuchsen. Die Skala erhielt Stationsnamen.
Da nur Rückwand und meist das Typenschild den Hersteller zeigen, kann nicht immer nach diesem sortiert werden. Im übrigen sind die Produkte der verschiedenen Hersteller identisch.
Eine Auflistung aller deutschen Hersteller ist hier zu finden.
- Net weight (2.2 lb = 1 kg)
- 5 kg / 11 lb 0.2 oz (11.013 lb)
- Author
- Model page created by Konrad Birkner † 12.08.2014. See "Data change" for further contributors.
- Other Models
-
Here you find 237 models, 172 with images and 136 with schematics for wireless sets etc. In French: TSF for Télégraphie sans fil.
All listed radios etc. from Brandt (Roland Brandt); Berlin
Collections
The model Volksempfänger is part of the collections of the following members.