Marek - Марек III
Elprom KB (Kliment Voroshilov Works, Slabotokov zavod); Sofia
- País
- Bulgaria
- Fabricante / Marca
- Elprom KB (Kliment Voroshilov Works, Slabotokov zavod); Sofia
- Año
- 1952 ??
- Categoría
- Radio - o Sintonizador pasado WW2
- Radiomuseum.org ID
- 227434
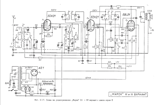
Haga clic en la miniatura esquemática para solicitarlo como documento gratuito.
- Numero de valvulas
- 4
- Principio principal
- Superheterodino en general; ZF/IF 468 kHz
- Gama de ondas
- OM, OL y OC
- Tensión de funcionamiento
- Red: Corriente alterna (CA, Inglés = AC) / 110; 150; 220 Volt
- Altavoz
- Altavoz dinámico (de imán permanente)
- Potencia de salida
- 2 W (undistorted)
- Material
- Madera
- de Radiomuseum.org
- Modelo: Marek - Марек [III] - Elprom KB Kliment Voroshilov
- Forma
- Sobremesa apaisado (tamaño grande).
- Anotaciones
-
Wave Bands:
MW: 520-1600 kHz
LW: 150-420 kHz
SW: 5,8-18 MHz
- Mencionado en
- book "Bulgarian Radio Receivers"
- Autor
- Modelo creado por Simeon Nikolov. Ver en "Modificar Ficha" los participantes posteriores.
- Otros modelos
-
Donde encontrará 66 modelos, 61 con imágenes y 50 con esquemas.
Ir al listado general de Elprom KB (Kliment Voroshilov Works, Slabotokov zavod); Sofia