Ensign Pacemaker 5
Ensign Radio, The Electric Lamphouse Ltd.; Wellington
- Fabricante / Marca
- Ensign Radio, The Electric Lamphouse Ltd.; Wellington
- Año
- 1949
- Categoría
- Radio - o Sintonizador pasado WW2
- Radiomuseum.org ID
- 346622
Haga clic en la miniatura esquemática para solicitarlo como documento gratuito.
- Numero de valvulas
- 5
- Principio principal
- Superheterodino en general; ZF/IF 455 kHz; 2 Etapas de AF
- Número de circuitos sintonía
- 6 Circuíto(s) AM
- Gama de ondas
- OM (onda media) solamente
- Tensión de funcionamiento
- Red: Corriente alterna (CA, Inglés = AC) / 230 Volt
- Altavoz
- Altavoz dinámico (de imán permanente) / Ø 5 inch = 12.7 cm
- Material
- Inyectado (se desconoce si bakelita o plástico).
- de Radiomuseum.org
- Modelo: Ensign Pacemaker 5 - Ensign Radio, The Electric
- Forma
- Sobremesa de tamaño mediano sin botonera <= 35 cm. (Incluso portables pero sólo con alimantación por red).
- Ancho, altura, profundidad
- 9.75 x 7 x 6.5 inch / 248 x 178 x 165 mm
- Anotaciones
-
5 valve broadcast (MW) superhet mantel receiver.
Available in mottled brown, green, red or ivory cabinet colours.
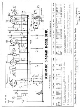
See also Pacemaker Model 519P.
Manufactured by Collier & Beale Ltd for Electric Lamphouse Ltd.
- Precio durante el primer año
- 19.50 NZ £
- Mencionado en
- -- Original prospect or advert (Lamphouse Annual 1929-1949 Page 41.)
- Autor
- Modelo creado por Brian Stevens. Ver en "Modificar Ficha" los participantes posteriores.
- Otros modelos
-
Donde encontrará 51 modelos, 49 con imágenes y 36 con esquemas.
Ir al listado general de Ensign Radio, The Electric Lamphouse Ltd.; Wellington