• Jahr
  • 1960 ??
  • Kategorie
  • Service- oder Labor-Ausrüstung
  • Radiomuseum.org ID
  • 123132

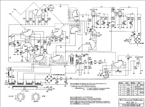
Klicken Sie auf den Schaltplanausschnitt, um diesen kostenlos als Dokument anzufordern.

 Technische Daten

  • Anzahl Röhren
  • 3
  • Wellenbereiche
  • - ohne
  • Betriebsart / Volt
  • Wechselstromspeisung / 220 Volt
  • Lautsprecher
  • - - Kein Ausgang für Schallwiedergabe.
  • Material
  • Metallausführung

Die GFGF Zeitschrift Funkgeschichte bringt interessante Artikel zu Radios, Funkwesen und Medien. Bei Radiomuseum.org finden Sie die vollständigen Hefte früherer Ausgaben als PDF zum Download.

  • von Radiomuseum.org
  • Modell: Messbrücke RLC221-3 - Funkwerk Dresden, VEB, RFT
  • Form
  • Tischmodell, Zusatz nicht bekannt - allgemein.
  • Bemerkung
  • Siehe auch hier.
  • Literatur/Schema (1)
  • -- Schematic
  • Autor
  • Modellseite von Bernd Pötzsch angelegt. Siehe bei "Änderungsvorschlag" für weitere Mitarbeit.

 Sammlungen | Museen | Literatur

Sammlungen

Das Modell Messbrücke befindet sich in den Sammlungen folgender Mitglieder.

Museen

Das Modell Messbrücke ist in den folgenden Museen zu sehen.

 Forum

Forumsbeiträge zum Modell: Funkwerk Dresden,: Messbrücke RLC221-3

Threads: 3 | Posts: 5

Mit meiner Messbrücke war ein vernünftiges Arbeiten nicht mehr möglich. Der Zeiger vom Messinstrument zappelte willkürlich hin- und her und ein Minimum konnte so nicht mehr abgelesen werden. Betroffen waren praktisch sämtliche Messbereiche auch ohne angeschlossenen Prüfling. Die Ursache ist der Wahlschalter 3 mit Kontaktproblemen. Nach Abheben der Plastikschutzdeckel wurde mittels Spritze etwas Wellenschalteröl auf die Kontakte bei allen Schalterebenen aufgebracht. Die Prozedur ist etwas mühselig, weil man an manche Kontakte dieses Schalters schlecht herankommt.Nach meiner Erfahrung ist die Verwendung von älterem Wellenschalteröl dauerhafter und langlebiger in seiner Wirkung als Kontaktspray. Nach dieser Reparatur funktioniert die Messbrücke wieder einwandfrei.

 

M. Böhme

Mario Böhme, 24.May.15

Weitere Posts (1) zu diesem Thema.

Zur Frage von Herrn Guido Schlootz von 04/09:

Meine Meßbrücke hatte exakt die selbe Symptomatik - bei Widerständen konnte ein Minimum abgeglichen und damit ein (halbwegs plausibler) Wert ermittelt werden. Bei C und L war kein Abgleich möglich.

Problem war lediglich Röhrenverschleiß - eine EF86 und die ECL82 waren von der Emission her laut Funke W20 im "unbrauchbar" Bereich. Seit Austausch der Röhren ist die Funktion gegeben.

Hoffe, das hilft dem einen oder anderen.

Freundliche Grüße, U. Bretz

Ulrich Bretz, 02.Nov.13

Weitere Posts (1) zu diesem Thema.

Hallo liebe Sammlerkollegen,
ich bin im Besitz der Messbrücke und auf der Suche nach einer Bedienungsanleitung für das Gerät.

Wenn ich Widerstände bestimmen will, kann ich ein Spannungsminimum finden und der angezeigte Wert stimmt etwa. Bei Kondensatoren und Spulen funktioniert es nicht. Vielleicht mache ich etwas falsch? Deshalb die Suche nach der Bedienungsanleitung.

Guido Schlootz, 05.Apr.09

Weitere Posts (3) zu diesem Thema.