G331-SA
Geloso SA; Milano
- Land
- Italien / Italy
- Hersteller / Marke
- Geloso SA; Milano
- Jahr
- 1959
- Kategorie
- Rundfunkempfänger (Radio - oder Tuner nach WW2)
- Radiomuseum.org ID
- 113874
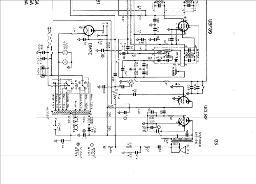
Klicken Sie auf den Schaltplanausschnitt, um diesen kostenlos als Dokument anzufordern.
- Anzahl Röhren
- 5
- Anzahl Transistoren
- Halbleiter
- Selenium-Rectifier
- Hauptprinzip
- Superhet allgemein
- Wellenbereiche
- Mittelwelle, 2 x Kurzwelle plus UKW (FM).
- Betriebsart / Volt
- Wechselstromspeisung / 120-220 Volt
- Lautsprecher
- Dynamischer LS, keine Erregerspule (permanentdynamisch)
- Material
- Gerät mit Holzgehäuse
- von Radiomuseum.org
- Modell: G331-SA - Geloso SA; Milano
- Form
- Tischgerät, Tasten oder Druckknöpfe.
- Bemerkung
- Raddrizzatore al selenio. Gruppo AF Geloso n, 2682A, gruppo FM n. 2726
- Datenherkunft
- Guida Pratica Antique Radio III (2000)
- Literatur/Schema (1)
- -- Schematic
- Autor
- Modellseite von Alessandro De Poi angelegt. Siehe bei "Änderungsvorschlag" für weitere Mitarbeit.
- Weitere Modelle
-
Hier finden Sie 958 Modelle, davon 805 mit Bildern und 724 mit Schaltbildern.
Alle gelisteten Radios usw. von Geloso SA; Milano
Forumsbeiträge zum Modell: Geloso SA; Milano: G331-SA
Threads: 1 | Posts: 1
La Geloso "g331" e la "g331-sa" sono due modelli differenti?
Possiedo una "g331" e l'ho restaurata seguendo lo schema presente sul bollettino geloso n. 75 che differisce da quello riportato su radiomuseum sotto la voce "g331-sa"
Saluti
Giovanni
Giovanni Bruzzi, 18.Dec.08