- Hersteller / Marke
- Graetz, Altena (Westfalen)
- Jahr
- 1956 ?
- Kategorie
- Fernseh-Empfänger mit Radio evtl. Komb.m.Ton-/Bildsp.
- Radiomuseum.org ID
- 166250
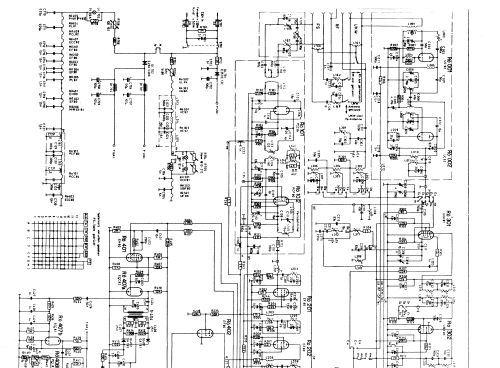
Klicken Sie auf den Schaltplanausschnitt, um diesen kostenlos als Dokument anzufordern.
- Anzahl Röhren
- 23
- Röhren
- UC92 UC92 UCH81 UBF80 UM80 UF89 UL84 PCC84 PCF80 EF80 EF80 EF80 EF80 PL83 EF80 EH90 ECC82 ECC82 PCL82 PL81 PY81 EY86 MW43-64
- Anzahl Transistoren
- Hauptprinzip
- Superhet allgemein
- Wellenbereiche
- Wellen in den Bemerkungen.
- Spezialitäten
- Fernbed/-steuerung (Radio etc.)
- Betriebsart / Volt
- Wechselstromspeisung / 220 Volt
- Lautsprecher
- 4 Lautsprecher
- Material
- Gerät mit Holzgehäuse
Die GFGF Zeitschrift Funkgeschichte bringt interessante Artikel zu Radios, Funkwesen und Medien. Bei Radiomuseum.org finden Sie die vollständigen Hefte früherer Ausgaben als PDF zum Download.
- von Radiomuseum.org
- Modell: 3433 - Graetz, Altena Westfalen
- Form
- Standgerät: allgemein.
- Bemerkung
-
12 Kanäle im VHF-Bereich.
Rundfunkteil: LMKU, 7 AM-, 10 FM-Kreise; Drucktasten.Siehe auch Graetz Maharadscha 4R/F26 mit identischer Röhrenbestückung.
- Literaturnachweis
- -- Schematic
- Literatur/Schema (1)
- Schematic
- Autor
- Modellseite von Eduard Abfalterer angelegt. Siehe bei "Änderungsvorschlag" für weitere Mitarbeit.
- Weitere Modelle
-
Hier finden Sie 783 Modelle, davon 703 mit Bildern und 599 mit Schaltbildern.
Alle gelisteten Radios usw. von Graetz, Altena (Westfalen)