- Country
- Germany
- Manufacturer / Brand
- Grundig (Radio-Vertrieb, RVF, Radiowerke); Fürth/Bayern
- Year
- 1951 ?
- Category
- Broadcast Receiver - or past WW2 Tuner
- Radiomuseum.org ID
- 243379
-
- alternative name: Grundig Portugal || Grundig USA / Lextronix
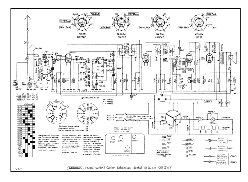
Click on the schematic thumbnail to request the schematic as a free document.
- Number of Tubes
- 4
- Number of Transistors
- Semiconductors
- Tr.Gl.=Metal-rectif.
- Main principle
- Superheterodyne (common); ZF/IF 468 kHz; Export model
- Tuned circuits
- 6 AM circuit(s)
- Wave bands
- Broadcast plus more than 2 Short Wave bands.
- Power type and voltage
- AC/DC-set / 110; 220 Volt
- Loudspeaker
- Permanent Magnet Dynamic (PDyn) Loudspeaker (moving coil) - elliptical
- Material
- Bakelite case
- from Radiomuseum.org
- Model: 1001 GWI - Grundig Radio-Vertrieb, RVF,
- Shape
- Tablemodel without push buttons, Mantel/Midget/Compact up to 14
- Dimensions (WHD)
- 302 x 187 x 145 mm / 11.9 x 7.4 x 5.7 inch
- Notes
-
Exportgerät, weiß lackiert.
Empfangsbereiche:
Mittelwelle
Kurzwelle 1: 2 - 6 MHz,
Kurzwelle 2: 6 - 13 MHz,
Kurzwelle 3: 13 - 23 MHz.Tonabnehmereingang.
- Net weight (2.2 lb = 1 kg)
- 3.2 kg / 7 lb 0.8 oz (7.048 lb)
- Mentioned in
- -- Schematic
- Author
- Model page created by Horst Schneider. See "Data change" for further contributors.
- Other Models
-
Here you find 6251 models, 5496 with images and 4255 with schematics for wireless sets etc. In French: TSF for Télégraphie sans fil.
All listed radios etc. from Grundig (Radio-Vertrieb, RVF, Radiowerke); Fürth/Bayern