- Paese
- Germania
- Produttore / Marca
- Grundig (Radio-Vertrieb, RVF, Radiowerke); Fürth/Bayern
- Anno
- 1952 ??
- Categoria
- Radio (o sintonizzatore del dopoguerra WW2)
- Radiomuseum.org ID
- 156387
-
- alternative name: Grundig Portugal || Grundig USA / Lextronix
Clicca sulla miniatura dello schema per richiederlo come documento gratuito.
- Numero di tubi
- 4
- Numero di transistor
- Semiconduttori
- Tr.Gl.=Metal-rectif.
- Principio generale
- Supereterodina (in generale); ZF/IF 468 kHz; 2 Stadi BF
- N. di circuiti accordati
- 6 Circuiti Mod. Amp. (AM)
- Gamme d'onda
- Onde medie (OM) e più di 2 gamme di onde corte (> 2 x OC).
- Tensioni di funzionamento
- Alimentazione a corrente alternata (CA) / 117; 150; 220; 240 Volt
- Altoparlante
- AP magnetodinamico (magnete permanente e bobina mobile)
- Materiali
- Plastica o bachelite
- Radiomuseum.org
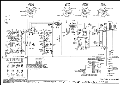
- Modello: 1020-WI - Grundig Radio-Vertrieb, RVF,
- Forma
- Soprammobile con pulsantiera/tastiera.
- Dimensioni (LxAxP)
- 463 x 304 x 215 mm / 18.2 x 12 x 8.5 inch
- Annotazioni
- Exportmodell.
- Peso netto
- 7.2 kg / 15 lb 13.7 oz (15.859 lb)
- Letteratura / Schemi (1)
- -- Original-techn. papers.
- Autore
- Modello inviato da Antonio Barros-Regada. Utilizzare "Proponi modifica" per inviare ulteriori dati.
- Altri modelli
-
In questo link sono elencati 6251 modelli, di cui 5496 con immagini e 4255 con schemi.
Elenco delle radio e altri apparecchi della Grundig (Radio-Vertrieb, RVF, Radiowerke); Fürth/Bayern