- Pays
- Allemagne
- Fabricant / Marque
- Grundig (Radio-Vertrieb, RVF, Radiowerke); Fürth/Bayern
- Année
- 1955/1956
- Catégorie
- Radio - ou tuner d'après la guerre 1939-45
- Radiomuseum.org ID
- 2086
-
- alternative name: Grundig Portugal || Grundig USA / Lextronix
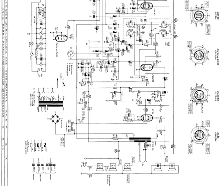
Cliquez sur la vignette du schéma pour le demander en tant que document gratuit.
- No. de tubes
- 7
- Principe général
- Super hétérodyne (en général); FI/IF 468/10700 kHz
- Circuits accordés
- 8 Circuits MA (AM) 12 Circuits MF (FM)
- Gammes d'ondes
- PO, GO, OC et FM
- Particularités
- Télécommande par HF ou fil
- Tension / type courant
- Alimentation Courant Alternatif (CA) / 110; 125; 160; 220 Volt
- Haut-parleur
- 5 HP
- Puissance de sortie
- 5.5 W (qualité inconnue)
- Matière
- Boitier en bois
- De Radiomuseum.org
- Modèle: 3055WF/3D - Grundig Radio-Vertrieb, RVF,
- Forme
- Modèle de table avec boutons poussoirs.
- Dimensions (LHP)
- 665 x 427 x 294 mm / 26.2 x 16.8 x 11.6 inch
- Remarques
- 2 FM- und 1 AM-Station mit Tasten wählbar; drehbare Ferritantenne mit beleuchteter Anzeige.
- Poids net
- 18.3 kg / 40 lb 4.9 oz (40.308 lb)
- Prix de mise sur le marché
- 425.00 DM
- Source
- HdB d.Rdf-& Ferns-GrH 1955/56 / Radiokatalog Band 1, Ernst Erb
- Littérature
- Guida Pratica Antique Radio III (2000)
- Index des illustrations
- Das Modell ist im «Radiokatalog» (Erb) abgebildet.
- D'autres Modèles
-
Vous pourrez trouver sous ce lien 6250 modèles d'appareils, 5496 avec des images et 4251 avec des schémas.
Tous les appareils de Grundig (Radio-Vertrieb, RVF, Radiowerke); Fürth/Bayern
Collections
Le modèle fait partie des collections des membres suivants.
Contributions du forum pour ce modèle: Grundig Radio-: 3055WF/3D
Discussions: 1 | Publications: 6
Hello all, I am working on restoration of a Grundig 3055 3D radio. Plate voltage of EABC80 should be 51V per schematics but i am reading ~75V. Value of R47, R250 and R51 are correct (in 10% range). G2 of EL84 is ~222V. Filament voltage of EABC80 is ~6.25V. Grid voltage of EABC80 is ~0.350V. I thought that EABC80 became weaker due to it's age therefore plate current is reduced. I tried 4 different EABC80 but each time plate voltage was more or less the same. Any idea is welcomed. Thanks in advance, Cuneyt
Cuneyt Bakan, 11.Apr.14