Autosuper AS238
Grundig (Radio-Vertrieb, RVF, Radiowerke); Fürth/Bayern
- Country
- Germany
- Manufacturer / Brand
- Grundig (Radio-Vertrieb, RVF, Radiowerke); Fürth/Bayern
- Year
- 1950–1952
- Category
- Car Radio, perhaps also + sound player/recorder
- Radiomuseum.org ID
- 94134
-
- alternative name: Grundig Portugal || Grundig USA / Lextronix
Click on the schematic thumbnail to request the schematic as a free document.
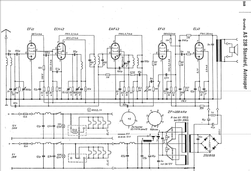
- Number of Tubes
- 5
- Number of Transistors
- Semiconductors
- 32/1NT6 or. 32/1NT12 Tr.Gl.=Metal-rectif.
- Main principle
- Superhet with RF-stage; 2 AF stage(s)
- Tuned circuits
- 6 AM circuit(s)
- Wave bands
- Broadcast only (MW).
- Power type and voltage
- Storage Battery for all (e.g. for car radios and amateur radios) / 6/12 Volt
- Loudspeaker
- - This model requires external speaker(s).
- Material
- Metal case
- from Radiomuseum.org
- Model: Autosuper AS238 - Grundig Radio-Vertrieb, RVF,
- Shape
- Chassis only or for «building in»
- Circuit diagram reference
- Lange Schaltungen der Funkindustrie, Buch 4
- Author
- Model page created by Bernhard Nagel. See "Data change" for further contributors.
- Other Models
-
Here you find 6251 models, 5496 with images and 4255 with schematics for wireless sets etc. In French: TSF for Télégraphie sans fil.
All listed radios etc. from Grundig (Radio-Vertrieb, RVF, Radiowerke); Fürth/Bayern