- Pays
- Allemagne
- Fabricant / Marque
- Grundig (Radio-Vertrieb, RVF, Radiowerke); Fürth/Bayern
- Année
- 1965–1967
- Catégorie
- Autoradio, ev. avec cassette
- Radiomuseum.org ID
- 26637
-
- alternative name: Grundig Portugal || Grundig USA / Lextronix
Cliquez sur la vignette du schéma pour le demander en tant que document gratuit.
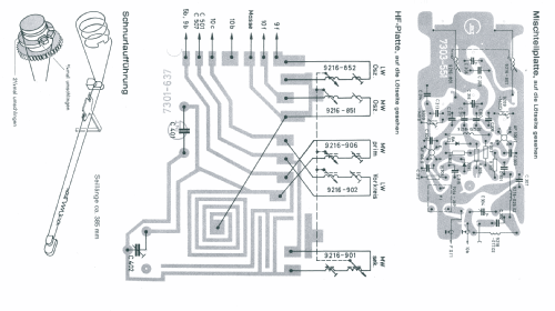
- No. de transistors
- 11
- Principe général
- Super hétérodyne (en général); FI/IF 460/10700 kHz
- Circuits accordés
- 8 Circuits MA (AM) 10 Circuits MF (FM)
- Gammes d'ondes
- PO, GO, OC et FM
- Tension / type courant
- Accumulateur (par exemple pour autoradios ou radio) / 6; 12 Volt
- Haut-parleur
- - Ce modèle nécessite des HP externes
- Puissance de sortie
- 5 W (qualité inconnue)
- Matière
- Boitier métallique
- De Radiomuseum.org
- Modèle: AS40 - Grundig Radio-Vertrieb, RVF,
- Forme
- Chassis (pour intégration dans meuble)
- Dimensions (LHP)
- 180 x 50 x 160 mm / 7.1 x 2 x 6.3 inch
- Remarques
- Grundig AS40 ist nach 11 Jahren Pause im Autoradiobau das
erste Transistor-Autoradio des Herstellers. Letztes Röhrenmodell
im Jahrgang 1953/54 war der Drucktasten-Autosuper AS 53 UKW.
- Poids net
- 1.4 kg / 3 lb 1.3 oz (3.084 lb)
- Source extérieure
- erb
- Source
- Handbuch VDRG 1966/1967
- Schémathèque (1)
- -- Original-techn. papers. (Grundig Technische Informationen 2 - 1966)
- Schémathèque (2)
- Funk-Technik (FT) (19/1965, S. 782)
- Schémathèque (3)
- Funkschau (19/1965, S. 517)
- D'autres Modèles
-
Vous pourrez trouver sous ce lien 6250 modèles d'appareils, 5496 avec des images et 4249 avec des schémas.
Tous les appareils de Grundig (Radio-Vertrieb, RVF, Radiowerke); Fürth/Bayern
Collections
Le modèle fait partie des collections des membres suivants.
Littérature
Le modèle est documenté dans la littérature suivante.