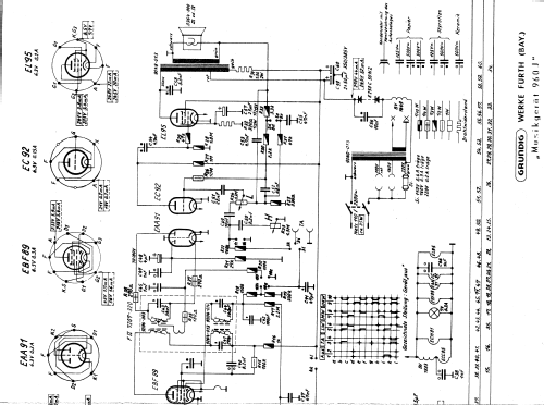
Musikgerät 960J LW
Grundig (Radio-Vertrieb, RVF, Radiowerke); Fürth/Bayern
- Country
- Germany
- Manufacturer / Brand
- Grundig (Radio-Vertrieb, RVF, Radiowerke); Fürth/Bayern
- Year
- 1958 ??
- Category
- Broadcast Receiver - or past WW2 Tuner
- Radiomuseum.org ID
- 161912
-
- alternative name: Grundig Portugal || Grundig USA / Lextronix
Click on the schematic thumbnail to request the schematic as a free document.
- Number of Tubes
- 6
- Number of Transistors
- Semiconductors
- E250C50
- Main principle
- Superheterodyne (common); ZF/IF 468/10700 kHz
- Tuned circuits
- 6 AM circuit(s) 10 FM circuit(s)
- Wave bands
- Broadcast, Long Wave and FM or UHF.
- Power type and voltage
- Alternating Current supply (AC) / 110; 160; 220 Volt
- Loudspeaker
- Permanent Magnet Dynamic (PDyn) Loudspeaker (moving coil)
- Power out
- 2.5 W (unknown quality)
- Material
- Bakelite case
- from Radiomuseum.org
- Model: Musikgerät 960J [LW] - Grundig Radio-Vertrieb, RVF,
- Shape
- Tablemodel with Push Buttons.
- Dimensions (WHD)
- 470 x 310 x 220 mm / 18.5 x 12.2 x 8.7 inch
- Notes
-
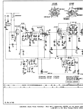
Grundig 960 J ist ein Exportmodell für Italien. Wellenbereiche:
- UKW 87 – 100 MHz
- MW 515 – 1620 kHz
- LW 150 – 350 kHz
Siehe auch Modell 960 J mit KW- statt LW-Bereich und Musikgerät 960 für den deutschsprachigen Raum mit abweichender Röhrenbestückung.
Metal parts of this device may be energized with the full power supply voltage, even when turned off. Electrical shock, and even death through contact can occur. Only few of the model pages on this site carry this warning! Only a trained person should plug in old electrical sets.
Dieses Gerät besitzt keine Netztrennung. Bei solchen Geräten können Chassis und Buchsen etc. unter Netzspannung stehen, bei manchen auch, wenn es ausgeschaltet ist. Es besteht bei Berührung Lebensgefahr. Wir weisen nicht bei jedem solchen Modell darauf hin.
- Net weight (2.2 lb = 1 kg)
- 8 kg / 17 lb 9.9 oz (17.621 lb)
- Source of data
- -- Schematic
- Literature/Schematics (1)
- IL Radio Libro D.E.Ravalico 17 Edizione 1960
- Author
- Model page created by Eduard Abfalterer. See "Data change" for further contributors.
- Other Models
-
Here you find 6250 models, 5496 with images and 4249 with schematics for wireless sets etc. In French: TSF for Télégraphie sans fil.
All listed radios etc. from Grundig (Radio-Vertrieb, RVF, Radiowerke); Fürth/Bayern