SO202 Nussbaum
Grundig (Radio-Vertrieb, RVF, Radiowerke); Fürth/Bayern
- Hersteller / Marke
- Grundig (Radio-Vertrieb, RVF, Radiowerke); Fürth/Bayern
- Jahr
- 1961/1962
- Kategorie
- Rundfunkempfänger (Radio - oder Tuner nach WW2)
- Radiomuseum.org ID
- 23925
-
- anderer Name: Grundig Portugal || Grundig USA / Lextronix
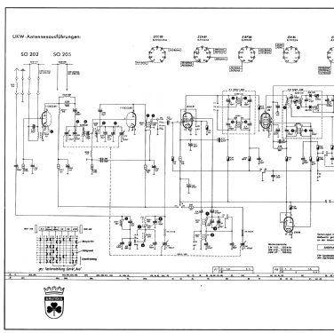
Klicken Sie auf den Schaltplanausschnitt, um diesen kostenlos als Dokument anzufordern.
- Anzahl Röhren
- 6
- Hauptprinzip
- Superhet allgemein
- Anzahl Kreise
- 6 Kreis(e) AM 10 Kreis(e) FM
- Wellenbereiche
- Langwelle, Mittelwelle und UKW (FM).
- Spezialitäten
- Plattenwechsler
- Betriebsart / Volt
- Wechselstromspeisung / 110; 125; 220 Volt
- Lautsprecher
- 2 Lautsprecher
- Material
- Gerät mit Holzgehäuse
Die GFGF Zeitschrift Funkgeschichte bringt interessante Artikel zu Radios, Funkwesen und Medien. Bei Radiomuseum.org finden Sie die vollständigen Hefte früherer Ausgaben als PDF zum Download.
- von Radiomuseum.org
- Modell: SO202 [Nussbaum] - Grundig Radio-Vertrieb, RVF,
- Form
- Standgerät mit Drucktasten.
- Abmessungen (BHT)
- 1010 x 730 x 390 mm / 39.8 x 28.7 x 15.4 inch
- Bemerkung
- Stereo-NF-Verstärker mit 2 Endstufen je 3 W. Phono-Chassis = Perpetuum-Ebner PE66.
- Nettogewicht
- 36 kg / 79 lb 4.7 oz (79.295 lb)
- Originalpreis
- 650.00 DM
- Datenherkunft extern
- Erb
- Datenherkunft
- HdB d.Rdf-& Ferns-GrH 1961/62
- Weitere Modelle
-
Hier finden Sie 6250 Modelle, davon 5496 mit Bildern und 4249 mit Schaltbildern.
Alle gelisteten Radios usw. von Grundig (Radio-Vertrieb, RVF, Radiowerke); Fürth/Bayern