Stereo-Konzertschrank SO191 Holz
Grundig (Radio-Vertrieb, RVF, Radiowerke); Fürth/Bayern
- Pays
- Allemagne
- Fabricant / Marque
- Grundig (Radio-Vertrieb, RVF, Radiowerke); Fürth/Bayern
- Année
- 1958/1959
- Catégorie
- Radio - ou tuner d'après la guerre 1939-45
- Radiomuseum.org ID
- 21850
-
- alternative name: Grundig Portugal || Grundig USA / Lextronix
Cliquez sur la vignette du schéma pour le demander en tant que document gratuit.
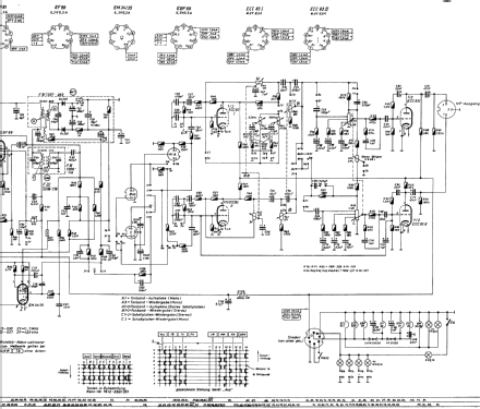
- No. de tubes
- 13
- No. de transistors
- Principe général
- Super hétérodyne (en général)
- Circuits accordés
- 9 Circuits MA (AM) 12 Circuits MF (FM)
- Gammes d'ondes
- PO, GO, OC et FM
- Particularités
- Tourne disque avec changeur
- Tension / type courant
- Alimentation Courant Alternatif (CA) / 110; 125; 220 Volt
- Haut-parleur
- 6 HP
- Puissance de sortie
- 30 W (sans distorsion)
- Matière
- Boitier en bois
- De Radiomuseum.org
- Modèle: Stereo-Konzertschrank SO191 [Holz] - Grundig Radio-Vertrieb, RVF,
- Forme
- Console avec des boutons-poussoirs
- Dimensions (LHP)
- 1460 x 850 x 410 mm / 57.5 x 33.5 x 16.1 inch
- Remarques
-
Mit eingebauter Grundig 30W Stereo-Endstufe (Vorläufer der NF2).
Die erforderlichen Versorgungs-Spannungen für das Rundfunkchassis werden dem Netztrafo der Endstufe entnommen.
- Prix de mise sur le marché
- 1,498.00 DM
- Source extérieure
- Erb
- Littérature
- Handbuch RFP 1958/59 S.122 (Thiele)
- Schémathèque (1)
- -- Original-techn. papers.
- D'autres Modèles
-
Vous pourrez trouver sous ce lien 6250 modèles d'appareils, 5496 avec des images et 4251 avec des schémas.
Tous les appareils de Grundig (Radio-Vertrieb, RVF, Radiowerke); Fürth/Bayern