- Paese
- Germania
- Produttore / Marca
- Grundig (Radio-Vertrieb, RVF, Radiowerke); Fürth/Bayern
- Anno
- 1956
- Categoria
- Registratore audio/video e/o riproduttore
- Radiomuseum.org ID
- 92699
-
- alternative name: Grundig Portugal || Grundig USA / Lextronix
Clicca sulla miniatura dello schema per richiederlo come documento gratuito.
- Numero di tubi
- 5
- Principio generale
- Amplificatore audio
- Gamme d'onda
- - senza
- Particolarità
- Registratore a nastro
- Tensioni di funzionamento
- Alimentazione a corrente alternata (CA) / 110; 125; 145; 165; 220 Volt
- Altoparlante
- 3 altoparlanti
- Materiali
- Pelle / stoffa / plastica ma con altro materiale sottostante
- Radiomuseum.org
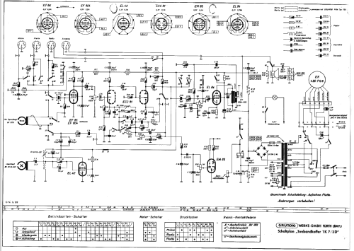
- Modello: TK7/3D - Grundig Radio-Vertrieb, RVF,
- Forma
- Soprammobile basso, con andamento orizzontale (grosse dimensioni).
- Prezzo nel primo anno
- 625.00 DM
- Fonte dei dati
- -- Original-techn. papers.
- Bibliografia
- Funk-Technik (FT) (9/1956, S. 253, 254 / Neuvorstellung, Schema)
- Autore
- Modello inviato da Hannes Wurnitsch. Utilizzare "Proponi modifica" per inviare ulteriori dati.
- Altri modelli
-
In questo link sono elencati 6251 modelli, di cui 5496 con immagini e 4255 con schemi.
Elenco delle radio e altri apparecchi della Grundig (Radio-Vertrieb, RVF, Radiowerke); Fürth/Bayern