Ravensberg W 5063W
Hagenuk (N&K), Hanseatische App.bau-Ges., Neufeldt & Kuhnke, Nordmark
- Hersteller / Marke
- Hagenuk (N&K), Hanseatische App.bau-Ges., Neufeldt & Kuhnke, Nordmark
- Jahr
- 1950/1951
- Kategorie
- Rundfunkempfänger (Radio - oder Tuner nach WW2)
- Radiomuseum.org ID
- 2319
Klicken Sie auf den Schaltplanausschnitt, um diesen kostenlos als Dokument anzufordern.
- Anzahl Röhren
- 3
- Anzahl Transistoren
- Halbleiter
- Tr.Gl.=Metal-rectif.
- Hauptprinzip
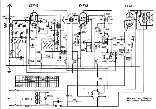
- Superhet allgemein; ZF/IF 472 kHz
- Anzahl Kreise
- 6 Kreis(e) AM
- Wellenbereiche
- UKW vorbereitet - hat Langwelle, Mittelwelle, Kurzwelle.
- Betriebsart / Volt
- Wechselstromspeisung / 120; 220 Volt
- Lautsprecher
- Dynamischer LS, keine Erregerspule (permanentdynamisch) / Ø 13 cm = 5.1 inch
- Material
- Bakelit (Pressstoff)
Die GFGF Zeitschrift Funkgeschichte bringt interessante Artikel zu Radios, Funkwesen und Medien. Bei Radiomuseum.org finden Sie die vollständigen Hefte früherer Ausgaben als PDF zum Download.
- von Radiomuseum.org
- Modell: Ravensberg W 5063W - Hagenuk N&K, Hanseatische App.
- Form
- Tischgerät ohne Drucktasten, bis 35 cm Breite (Kleingerät, meist dekorativ. Nur für Netzbetrieb, doch Transportgriff möglich).
- Abmessungen (BHT)
- 337 x 224 x 173 mm / 13.3 x 8.8 x 6.8 inch
- Bemerkung
- UKW-Pendler vorbereitet mit Stahlröhrensockel
- Nettogewicht
- 4 kg / 8 lb 13 oz (8.811 lb)
- Originalpreis
- 180.00 DM
- Datenherkunft
- Kat.d. Rundf.Gr.Handel 1950/51 / Radiokatalog Band 1, Ernst Erb
- Literaturnachweis
- Funk-Technik (FT) (5016)
- Literatur/Schema (1)
- Lange, Schaltungen der Funkindustrie (Band 6, Seite 13)
- Weitere Modelle
-
Hier finden Sie 179 Modelle, davon 144 mit Bildern und 70 mit Schaltbildern.
Alle gelisteten Radios usw. von Hagenuk (N&K), Hanseatische App.bau-Ges., Neufeldt & Kuhnke, Nordmark
Sammlungen
Das Modell Ravensberg W befindet sich in den Sammlungen folgender Mitglieder.