- Paese
- Austria
- Produttore / Marca
- Kapsch & Söhne (KS), Telephon- und Telegraphenfabriks-AG; Wien
- Anno
- 1936/1937
- Categoria
- Radio (o sintonizzatore del dopoguerra WW2)
- Radiomuseum.org ID
- 9410
Clicca sulla miniatura dello schema per richiederlo come documento gratuito.
- Numero di tubi
- 4
- Principio generale
- Supereterodina (in generale); ZF/IF 128,5 kHz
- N. di circuiti accordati
- 7 Circuiti Mod. Amp. (AM)
- Gamme d'onda
- Onde medie (OM), lunghe (OL) e corte (OC).
- Tensioni di funzionamento
- Alimentazione a corrente continua (CC) / 110-220 Volt
- Altoparlante
- AP elettrodinamico (bobina mobile e bobina di eccitazione/di campo)
- Materiali
- Mobile in legno
- Radiomuseum.org
- Modello: Triumph G Hoch - Kapsch & Söhne KS, Telephon-
- Forma
- Soprammobile verticale (sviluppato in altezza; no cattedrale, sin decorazioni).
- Annotazioni
- Abstimmanzeige mit Messinstrument.
- Prezzo nel primo anno
- 468.00 öS
- Fonte esterna dei dati
- E. Erb 3-907007-36-0
- Fonte dei dati
- Radiokatalog Band 2, Ernst Erb
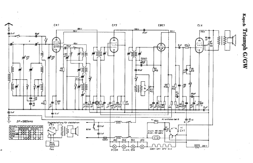
- Riferimenti schemi
- Lange+Schenk+FS-Röhrenbestückung
- Bibliografia
- Museums Bote, Österr. (Heft 110/2002, S.7, Kurzbeschreibung)
- Bibliografia immagini
- Das Modell ist im «Radiokatalog» (Erb) abgebildet.
- Altri modelli
-
In questo link sono elencati 614 modelli, di cui 514 con immagini e 379 con schemi.
Elenco delle radio e altri apparecchi della Kapsch & Söhne (KS), Telephon- und Telegraphenfabriks-AG; Wien