Twin-Four TT40
Kolster Brandes Ltd. (KB, K.B., ITT); Foots Cray; GB
- Country
- Great Britain (UK)
- Manufacturer / Brand
- Kolster Brandes Ltd. (KB, K.B., ITT); Foots Cray; GB
- Year
- 1961
- Category
- Sound/Video Recorder and/or Player
- Radiomuseum.org ID
- 167648
Click on the schematic thumbnail to request the schematic as a free document.
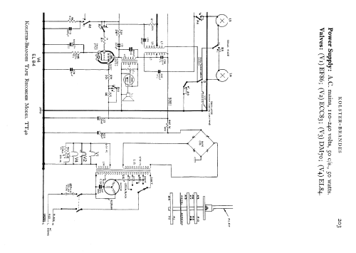
- Number of Tubes
- 4
- Main principle
- Audio-Amplification
- Wave bands
- - without
- Details
- Tape Recorder
- Power type and voltage
- Alternating Current supply (AC) / 110-240 Volt
- Loudspeaker
- Permanent Magnet Dynamic (PDyn) Loudspeaker (moving coil)
- Power out
- 3 W (unknown quality)
- from Radiomuseum.org
- Model: Twin-Four TT40 - Kolster Brandes Ltd. KB, K.B.,
- Notes
-
Tape recorder, single speed (3.75 in/sec), 4 tracks, max spool 5.75 inches.
Twin track playback.
Superimposing facility on all tracks.
- Source of data
- -- Schematic
- Mentioned in
- - - Manufacturers Literature (1961 brochure)
- Literature/Schematics (1)
- Radio And Television Servicing books (R&TVS)
- Author
- Model page created by Keith Staines. See "Data change" for further contributors.
- Other Models
-
Here you find 415 models, 372 with images and 253 with schematics for wireless sets etc. In French: TSF for Télégraphie sans fil.
All listed radios etc. from Kolster Brandes Ltd. (KB, K.B., ITT); Foots Cray; GB