- Hersteller / Marke
- Körting-Radio; Leipzig, später Grassau
- Jahr
- 1961 ?
- Kategorie
- Rundfunkempfänger (Radio - oder Tuner nach WW2)
- Radiomuseum.org ID
- 114084
-
- anderer Name: Dietz & Ritter GmbH, Dr.
Klicken Sie auf den Schaltplanausschnitt, um diesen kostenlos als Dokument anzufordern.
- Anzahl Röhren
- 7
- Hauptprinzip
- Superhet allgemein; ZF/IF 455/10700 kHz; 2 NF-Stufe(n); Exportmodell
- Anzahl Kreise
- 6 Kreis(e) AM 9 Kreis(e) FM
- Wellenbereiche
- Langwelle, Mittelwelle, Kurzwelle und UKW.
- Betriebsart / Volt
- Wechselstromspeisung / 117 Volt
- Lautsprecher
- Dynamischer (permanent) Ovallautsprecher / Ø 6 inch = 15.2 cm
- Material
- Gerät mit Holzgehäuse
Die GFGF Zeitschrift Funkgeschichte bringt interessante Artikel zu Radios, Funkwesen und Medien. Bei Radiomuseum.org finden Sie die vollständigen Hefte früherer Ausgaben als PDF zum Download.
- von Radiomuseum.org
- Modell: 1045 - Körting-Radio; Leipzig, später
- Form
- Tischgerät, Tasten oder Druckknöpfe.
- Abmessungen (BHT)
- 21 x 12 x 9 inch / 533 x 305 x 229 mm
- Bemerkung
-
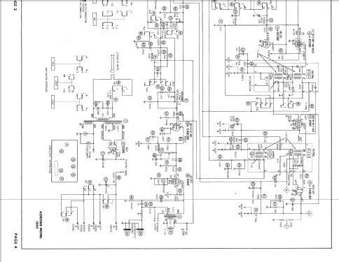
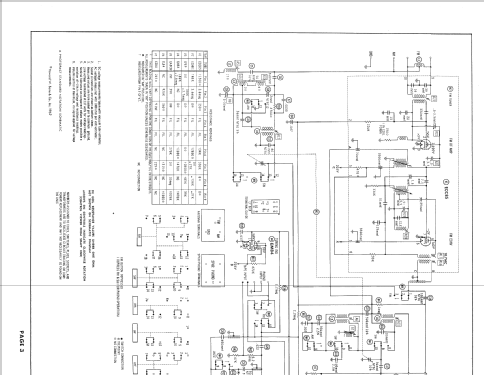
Appears to be a US export model. Dial scale in English. FM range 88 to 108 MHz.
Exclusive Distributor: Delmonico International.Wiring identical to schematic provided for Körting Novum 3930, with exception that the model 3930 has 110-240V input power capability.
- Literatur/Schema (1)
- Photofact Folder, Howard W. SAMS (Date 1-62, Set 561, Folder 13)
- Autor
- Modellseite von Milt Margolis angelegt. Siehe bei "Änderungsvorschlag" für weitere Mitarbeit.
- Weitere Modelle
-
Hier finden Sie 825 Modelle, davon 678 mit Bildern und 473 mit Schaltbildern.
Alle gelisteten Radios usw. von Körting-Radio; Leipzig, später Grassau
Forumsbeiträge zum Modell: Körting-Radio;: 1045
Threads: 1 | Posts: 6
Hello All:
I recently acquired a Korting 1045 (Delmonico International) in need of repair. It is in fairly decent shape however the volume control had been destroyed (shaft free and internal wiper broken) and needs to be replaced. I can probably come up with an adequate replacement if I can determine the required resistance value. The potentiometer also appears to have a resistance tap. I cannot find any data for this model in the RMorg database, yet alone a schematic. The radio is almost identical with the Korting Novum 3930, which is in the database, however there is no schematic available for that model.
Any assistance will be appreciated.
Milt Margolis
I recently acquired a Korting 1045 (Delmonico International) in need of repair. It is in fairly decent shape however the volume control had been destroyed (shaft free and internal wiper broken) and needs to be replaced. I can probably come up with an adequate replacement if I can determine the required resistance value. The potentiometer also appears to have a resistance tap. I cannot find any data for this model in the RMorg database, yet alone a schematic. The radio is almost identical with the Korting Novum 3930, which is in the database, however there is no schematic available for that model.
Any assistance will be appreciated.
Milt Margolis
Milt Margolis, 20.Mar.07