Magnettongerät MK-104
Körting-Radio; Leipzig, später Grassau
- Paese
- Germania
- Produttore / Marca
- Körting-Radio; Leipzig, später Grassau
- Anno
- 1958/1959
- Categoria
- Registratore audio/video e/o riproduttore
- Radiomuseum.org ID
- 166262
-
- alternative name: Dietz & Ritter GmbH, Dr.
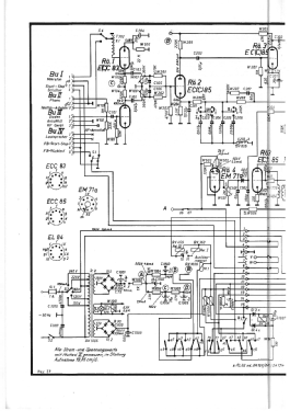
Clicca sulla miniatura dello schema per richiederlo come documento gratuito.
- Numero di tubi
- 6
- Principio generale
- Amplificatore audio
- Gamme d'onda
- - senza
- Particolarità
- Registratore a nastro
- Tensioni di funzionamento
- Alimentazione a corrente alternata (CA) / 110; 125; 165; 220; 240 Volt
- Altoparlante
- AP magnetodinamico (magnete permanente e bobina mobile)
- Potenza d'uscita
- 4 W (qualità ignota)
- Materiali
- Vari materiali
- Radiomuseum.org
- Modello: Magnettongerät MK-104 - Körting-Radio; Leipzig, später
- Forma
- Soprammobile con qualsiasi forma (non saputo).
- Dimensioni (LxAxP)
- 420 x 195 x 330 mm / 16.5 x 7.7 x 13 inch
- Annotazioni
- Doppelspur;
Frequenzbereich:
2,4 cm/s 40-3500 Hz,
4,75 cm/s 40-7500 Hz,
9,5 cm/s 30-15000 Hz,
19 cm/s 30-20000 Hz.
Spulen-Ø 18 cm; Mischpulteinrichtung und Tricktaste.
- Peso netto
- 13 kg / 28 lb 10.1 oz (28.634 lb)
- Fonte dei dati
- -- Original-techn. papers.
- Autore
- Modello inviato da Holger Specht. Utilizzare "Proponi modifica" per inviare ulteriori dati.
- Altri modelli
-
In questo link sono elencati 822 modelli, di cui 675 con immagini e 473 con schemi.
Elenco delle radio e altri apparecchi della Körting-Radio; Leipzig, später Grassau