Weltfunk SW567/3RK
Krefft AG, W.; Gevelsberg (Westfalen): Weltfunk
- Pays
- Allemagne
- Fabricant / Marque
- Krefft AG, W.; Gevelsberg (Westfalen): Weltfunk
- Année
- 1955/1956
- Catégorie
- Radio - ou tuner d'après la guerre 1939-45
- Radiomuseum.org ID
- 20180
Cliquez sur la vignette du schéma pour le demander en tant que document gratuit.
- No. de tubes
- 7
- Principe général
- Super hétérodyne (en général); FI/IF 460/10700 kHz
- Circuits accordés
- 6 Circuits MA (AM) 9 Circuits MF (FM)
- Gammes d'ondes
- PO, GO et FM
- Particularités
- Tourne disque avec changeur
- Tension / type courant
- Alimentation Courant Alternatif (CA) / 110/125; 220/240 Volt
- Haut-parleur
- 3 HP
- Puissance de sortie
- 5 W (qualité inconnue)
- Matière
- Boitier en bois
- De Radiomuseum.org
- Modèle: Weltfunk SW567/3RK - Krefft AG, W.; Gevelsberg
- Forme
- Console avec des boutons-poussoirs
- Dimensions (LHP)
- 522 x 860 x 510 mm / 20.6 x 33.9 x 20.1 inch
- Remarques
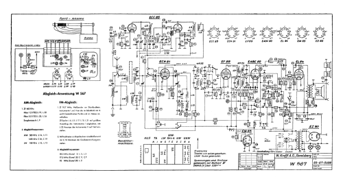
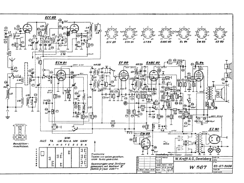
- Rundfunk-Chassis = W567/3RK;
Phono-Chassis = Philips AG1003.
- Poids net
- 38.5 kg / 84 lb 12.8 oz (84.802 lb)
- Prix de mise sur le marché
- 585.00 DM
- Source extérieure
- Erb
- Source
- HdB d.Rdf-& Ferns-GrH 1955/56 / Radiokatalog Band 2, Ernst Erb
- D'autres Modèles
-
Vous pourrez trouver sous ce lien 125 modèles d'appareils, 84 avec des images et 81 avec des schémas.
Tous les appareils de Krefft AG, W.; Gevelsberg (Westfalen): Weltfunk