Stereo-Super 664
Kuba (Kuba-Imperial), G. Kubetschek; Wolfenbüttel
- Hersteller / Marke
- Kuba (Kuba-Imperial), G. Kubetschek; Wolfenbüttel
- Jahr
- 1966/1967
- Kategorie
- Rundfunkempfänger (Radio - oder Tuner nach WW2)
- Radiomuseum.org ID
- 26491
-
- anderer Name: Imperial Kuba
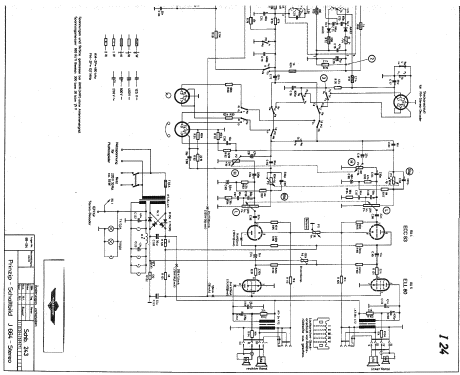
Klicken Sie auf den Schaltplanausschnitt, um diesen kostenlos als Dokument anzufordern.
- Anzahl Röhren
- 6
- Anzahl Transistoren
- 1
- Halbleiter
- AF137
- Hauptprinzip
- Superhet allgemein; ZF/IF 460/10700 kHz
- Anzahl Kreise
- 6 Kreis(e) AM 12 Kreis(e) FM
- Wellenbereiche
- Langwelle, Mittelwelle, Kurzwelle und UKW.
- Betriebsart / Volt
- Wechselstromspeisung / 220 Volt
- Lautsprecher
- 2 Lautsprecher
- Material
- Gerät mit Holzgehäuse
- von Radiomuseum.org
- Modell: Stereo-Super 664 - Kuba Kuba-Imperial, G.
- Form
- Tischgerät, Tasten oder Druckknöpfe.
- Abmessungen (BHT)
- 625 x 340 x 255 mm / 24.6 x 13.4 x 10 inch
- Bemerkung
- Stereo-Decoder nachrüstbar, Stereo-NF-Verstärker mit 2 Endstufen je 3 W.
Baugleich mit Imperial Stereo-Super 664.
- Datenherkunft extern
- erb
- Datenherkunft
- Handbuch VDRG 1966/1967 / Radiokatalog Band 2, Ernst Erb
- Weitere Modelle
-
Hier finden Sie 741 Modelle, davon 687 mit Bildern und 262 mit Schaltbildern.
Alle gelisteten Radios usw. von Kuba (Kuba-Imperial), G. Kubetschek; Wolfenbüttel
Sammlungen
Das Modell Stereo-Super befindet sich in den Sammlungen folgender Mitglieder.
Forumsbeiträge zum Modell: Kuba Kuba-Imperial,: Stereo-Super 664
Threads: 1 | Posts: 2
Guten Tag,
bei der Endstufe handelt es sich um eine halbautomatische Vorspannugserzeugung für die Pentode und eine Vorspannungserzeugung mit Anlaufstrom für die Triode, genial einfach, es werden keine Elkos zur Überbrückung der Katodenwiederstände benötigt. Daher ist diese Schaltung für mich sehr interressant, als Bastel-Anregung für einen kleinen Stereoverstärker. 2 Fragen :
1. Warum sind da unterschiedliche Wiederstände vor den Gittern der Pentoden, 33K und 270K ?
2. Mit P6 300K kann man die Brummkompensation einstellen. Wie funktioniert das?
viele Grüsse, Armin Ohrem, Zülpich
Armin Ohrem, 01.Feb.13