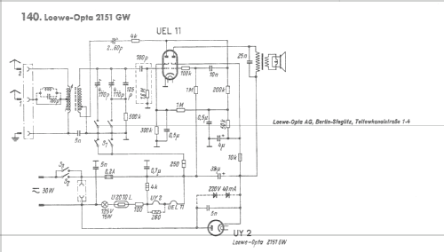
2151GW
Loewe-(Opta); Deutschland
- Pays
- Allemagne
- Fabricant / Marque
- Loewe-(Opta); Deutschland
- Année
- 1950/1951
- Catégorie
- Radio - ou tuner d'après la guerre 1939-45
- Radiomuseum.org ID
- 2726
-
- alternative name: Löwe Radio
Cliquez sur la vignette du schéma pour le demander en tant que document gratuit.
- No. de tubes
- 1
- Lampes / Tubes
- UEL11
- No. de transistors
- Semi-conducteurs
- Tr.Gl.=Metal-rectif.
- Principe général
- Récepteur TRF - par réaction (régénératif); 1 Etage(s) BF
- Circuits accordés
- 1 Circuits MA (AM)
- Gammes d'ondes
- PO uniquement
- Tension / type courant
- Appareil tous courants (CA / CC)
- Haut-parleur
- HP mais de technologie inconnue
- De Radiomuseum.org
- Modèle: 2151GW - Loewe-Opta; Deutschland
- Source
- Radiokatalog Band 1, Ernst Erb
- Source du schéma
- Hermann Rottmann und Fred P. Langheinrich hatten mir dieses Gerät erstmals bekannt gemacht. Sie verfügen jedoch nicht über Schaltungen darüber oder weitere Informationen, sondern haben mir bei der Recherche geholfen. Danke.
- D'autres Modèles
-
Vous pourrez trouver sous ce lien 1645 modèles d'appareils, 1382 avec des images et 1188 avec des schémas.
Tous les appareils de Loewe-(Opta); Deutschland