Ratsherr 53
Loewe-(Opta); Deutschland
- Country
- Germany
- Manufacturer / Brand
- Loewe-(Opta); Deutschland
- Year
- 1952/1953
- Category
- Broadcast Receiver - or past WW2 Tuner
- Radiomuseum.org ID
- 2789
-
- alternative name: Löwe Radio
Click on the schematic thumbnail to request the schematic as a free document.
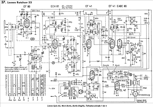
- Number of Tubes
- 7
- Main principle
- Superheterodyne (common); ZF/IF 473 kHz
- Tuned circuits
- 6 AM circuit(s)
- Wave bands
- Broadcast, Long Wave, Short Wave plus FM or UHF.
- Power type and voltage
- Alternating Current supply (AC) / 115/230 Volt
- Loudspeaker
- Permanent Magnet Dynamic (PDyn) Loudspeaker (moving coil) / Ø 20 cm = 7.9 inch
- Material
- Wooden case
- from Radiomuseum.org
- Model: Ratsherr 53 - Loewe-Opta; Deutschland
- Shape
- Tablemodel with Push Buttons.
- Dimensions (WHD)
- 560 x 360 x 300 mm / 22 x 14.2 x 11.8 inch
- Net weight (2.2 lb = 1 kg)
- 12.1 kg / 26 lb 10.4 oz (26.652 lb)
- Price in first year of sale
- 328.00 DM
- Source of data
- Kat.d.Rundf.GrossH.1953/54 / Radiokatalog Band 1, Ernst Erb
- Other Models
-
Here you find 1645 models, 1382 with images and 1188 with schematics for wireless sets etc. In French: TSF for Télégraphie sans fil.
All listed radios etc. from Loewe-(Opta); Deutschland
Collections
The model Ratsherr 53 is part of the collections of the following members.