Mirando 594W Musikschrank
Minerva-Radio (Radiola-Radioapparate und Bestandteile W. Wohleber & Co) ; Wien
- Country
- Austria
- Manufacturer / Brand
- Minerva-Radio (Radiola-Radioapparate und Bestandteile W. Wohleber & Co) ; Wien
- Year
- 1958/1959
- Category
- Broadcast Receiver - or past WW2 Tuner
- Radiomuseum.org ID
- 79038
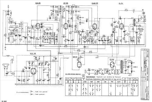
Click on the schematic thumbnail to request the schematic as a free document.
- Number of Tubes
- 7
- Main principle
- Superheterodyne (common)
- Wave bands
- Broadcast, Long Wave, Short Wave plus FM or UHF.
- Details
- Record Player (perh.Changer)
- Power type and voltage
- Alternating Current supply (AC) / 110; 130; 150; 220; 240 Volt
- Loudspeaker
- 3 Loudspeakers
- Material
- Wooden case
- from Radiomuseum.org
- Model: Mirando 594W [Musikschrank] - Minerva-Radio Radiola-
- Shape
- Console, Lowboy (legs < 50 %).
- Dimensions (WHD)
- 1000 x 670 x 360 mm / 39.4 x 26.4 x 14.2 inch
- Source of data
- Radiokatalog Band 2, Ernst Erb
- Author
- Model page created by Hannes Wurnitsch. See "Data change" for further contributors.
- Other Models
-
Here you find 629 models, 567 with images and 451 with schematics for wireless sets etc. In French: TSF for Télégraphie sans fil.
All listed radios etc. from Minerva-Radio (Radiola-Radioapparate und Bestandteile W. Wohleber & Co) ; Wien
Collections
The model Mirando is part of the collections of the following members.