Weltblick Rekord T59 43523 Art.Nr.= 824/13
Neckermann-Versand KG; Frankfurt a.M.
- Paese
- Germania
- Produttore / Marca
- Neckermann-Versand KG; Frankfurt a.M.
- Anno
- 1961 ?
- Categoria
- Televisore (TV) / Monitor
- Radiomuseum.org ID
- 109140
-
- Brand: Twen Tone
Clicca sulla miniatura dello schema per richiederlo come documento gratuito.
- Numero di tubi
- 18
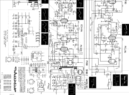
- Valvole
- PC88 PC86 PCC88 PCF82 EF183 EF80 EF80 EF80 EF80 ECH84 PCL84 PCL86 ECH84 PCL85 PY88 PL500 DY86 AW59-90
- Principio generale
- Supereterodina (in generale)
- Gamme d'onda
- VHF/UHF (ved. i dettagli nelle note)
- Tensioni di funzionamento
- Alimentazione a corrente alternata (CA) / 220 Volt
- Altoparlante
- AP magnetodinamico ellittico (magnete permanente e bobina mobile).
- Materiali
- Mobile in legno
- Radiomuseum.org
- Modello: Weltblick Rekord T59 43523 Art.Nr.= 824/13 - Neckermann-Versand KG;
- Forma
- Soprammobile con pulsantiera/tastiera.
- Dimensioni (LxAxP)
- 605 x 500 x 380 mm / 23.8 x 19.7 x 15 inch
- Annotazioni
- Empfangsbereich: VHF/UHF.
- Peso netto
- 30 kg / 66 lb 1.3 oz (66.079 lb)
- Letteratura / Schemi (1)
- -- Original-techn. papers.
- Autore
- Modello inviato da Hilmer Grunert. Utilizzare "Proponi modifica" per inviare ulteriori dati.
- Altri modelli
-
In questo link sono elencati 562 modelli, di cui 504 con immagini e 185 con schemi.
Elenco delle radio e altri apparecchi della Neckermann-Versand KG; Frankfurt a.M.
Collezioni
Il modello Weltblick Rekord T59 fa parte delle collezioni dei seguenti membri.