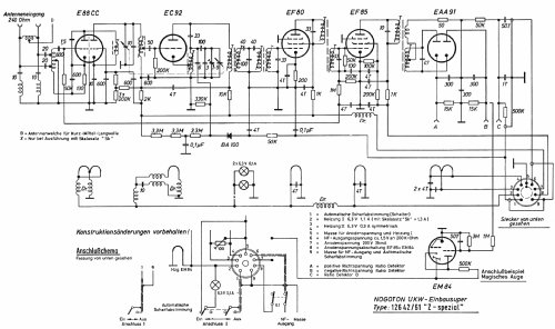
UKW-Einbausuper 12642/61 Z-Spezial
Nogoton, Norddeutsche Gerätebau; Delmenhorst/Oldenburg
- Paese
 - Germania
 
- Produttore / Marca
 - Nogoton, Norddeutsche Gerätebau; Delmenhorst/Oldenburg
 
- Anno
 - 1961
 
- Categoria
 - Radio (o sintonizzatore del dopoguerra WW2)
 
- Radiomuseum.org ID
 - 26436
 
- 
        
- Brand: Noroton
 
 
Clicca sulla miniatura dello schema per richiederlo come documento gratuito.
- Numero di tubi
 - 5
 
- Numero di transistor
 
- Semiconduttori
 - BA100
 
- Principio generale
 - Supereterodina (in generale)
 
- Gamme d'onda
 - Solo modulazione di frequenza (FM)
 
- Tensioni di funzionamento
 - Alimentazione a corrente alternata (CA)
 
- Altoparlante
 - - Per cuffie o amplificatori esterni
 
- Materiali
 - Mobile di metallo
 
- Radiomuseum.org
 - Modello: UKW-Einbausuper 12642/61 Z-Spezial - Nogoton, Norddeutsche
 
- Annotazioni
 - Passendesw Netzgerät dazu siehe "Netzgerät Type NG-2/2". 
Kommerzielle Ausführung. 
- Fonte dei dati
 - Radiokatalog Band 2, Ernst Erb
 
- Letteratura / Schemi (1)
 - -- Schematic
 
- Altri modelli
 - 
        
In questo link sono elencati 91 modelli, di cui 55 con immagini e 78 con schemi.
Elenco delle radio e altri apparecchi della Nogoton, Norddeutsche Gerätebau; Delmenhorst/Oldenburg 
Collezioni
Il modello UKW-Einbausuper fa parte delle collezioni dei seguenti membri.