Norma Luxus 59 Ch= 59/610 MU, Zeitautomat
Nordmende, Norddeutsche Mende-Rundfunk GmbH (Sterling), Bremen-Hemelingen
- País
- Alemania
- Fabricante / Marca
- Nordmende, Norddeutsche Mende-Rundfunk GmbH (Sterling), Bremen-Hemelingen
- Año
- 1958/1959
- Categoría
- Radio - o Sintonizador pasado WW2
- Radiomuseum.org ID
- 21724
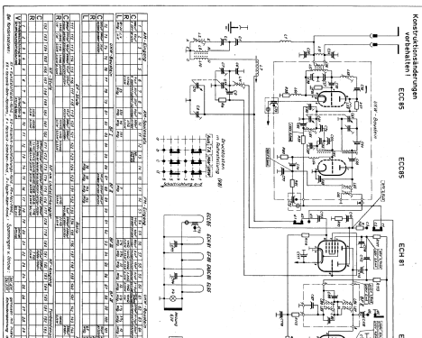
Haga clic en la miniatura esquemática para solicitarlo como documento gratuito.
- Numero de valvulas
- 5
- Principio principal
- Superheterodino en general; ZF/IF 460/10700 kHz
- Número de circuitos sintonía
- 6 Circuíto(s) AM 10 Circuíto(s) FM
- Gama de ondas
- OM y FM
- Tensión de funcionamiento
- Red: Corriente alterna (CA, Inglés = AC) / 220 Volt
- Altavoz
- Altavoz elíptico de imán permanente.
- Material
- Madera
- de Radiomuseum.org
- Modelo: Norma Luxus 59 Ch= 59/610 [MU, Zeitautomat] - Nordmende, Norddeutsche Mende-
- Forma
- Sobremesa de botonera.
- Ancho, altura, profundidad
- 350 x 220 x 195 mm / 13.8 x 8.7 x 7.7 inch
- Anotaciones
- Mit Zeitautomat.
- Peso neto
- 5 kg / 11 lb 0.2 oz (11.013 lb)
- Precio durante el primer año
- 208.00 DM
- Ext. procedencia de los datos
- Erb
- Procedencia de los datos
- HdB d.Rdf-& Ferns-GrH 1958/59
- Documentación / Esquemas (1)
- -- Original-techn. papers.
- Otros modelos
-
Donde encontrará 1763 modelos, 1650 con imágenes y 1280 con esquemas.
Ir al listado general de Nordmende, Norddeutsche Mende-Rundfunk GmbH (Sterling), Bremen-Hemelingen
Colecciones
El modelo Norma Luxus 59 es parte de las colecciones de los siguientes miembros.
Contribuciones en el Foro acerca de este modelo: Nordmende,: Norma Luxus 59 Ch= 59/610
Hilos: 1 | Mensajes: 1
Beim Reparieren des Gerätes hat mich der Aufbau des Zeitautomaten fasziniert.
Es wird dort ein Bimetall welches mit einer Wicklung die an der 6,3 Volt Heizfadenspannung hängt erwärmt. Dadurch biegt sich das Bimetall soweit das es das kleine Zahnrad um einen Zahn vorschiebt. Danach unterbricht der am Bimetallstreifen verbundene Kontakt die Stromzufuhr des Bimetalls und es kühlt wieder ab. Wenn es seine Ausgangsstellung erreicht hat schließt dieser Kontakt wieder und der Vorgang beginnt von neuem.
Hier einige Bilder vom Zeitautomaten.
Anexos
- Bimetall (126 KB)
- Schaltkontakte (76 KB)
- Zeitautomat (165 KB)
Klaus Menningen, 04.May.07