Nottingham Ch=33 Series 1

Pacific (Brand) Various manufacturers

  • Año
  • 1936
  • Categoría
  • Radio - o Sintonizador pasado WW2
  • Radiomuseum.org ID
  • 334966

Haga clic en la miniatura esquemática para solicitarlo como documento gratuito.

 Especificaciones técnicas

  • Numero de valvulas
  • 8
  • Principio principal
  • Superheterodino con paso previo de RF; ZF/IF 456 kHz; 3 Etapas de AF
  • Número de circuitos sintonía
  • 9 Circuíto(s) AM
  • Gama de ondas
  • OM y dos OC
  • Tensión de funcionamiento
  • Red: Corriente alterna (CA, Inglés = AC) / 230 Volt
  • Altavoz
  • Altavoz electrodinámico (bobina de campo) / Ø 10 inch = 25.4 cm
  • Material
  • Madera
  • de Radiomuseum.org
  • Modelo: Nottingham Ch=33 [Series 1] - Pacific Brand Various
  • Forma
  • Sobremesa alto decorativa, similar a Capilla pero cuadrado (Tombstone, can have rounded edges).
  • Anotaciones
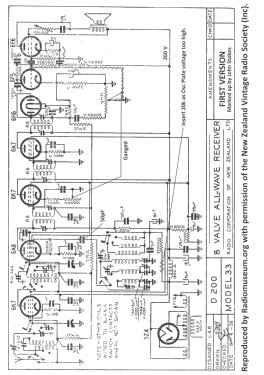
  • Advertised as an “8-valve all wave bander, All-Wave Metal Valve Receiver”.

    Superhet with RF stage and 3 stages of IF amplification.

    Bands:  550 – 1500 kHz
                  2.8 – 8.4 MHz
                  7.8 – 22 MHz

    This 8-valve model has been designed to give maximum sensitivity and selectivity, using metal valves throughout. Improved selectivity with smooth automatic volume control is obtained by the use of two stages of intermediate frequency amplification.

    A sensitivity control, operating simultaneously with the manual volume control, assists in reducing interstation noise to a minimum. Half-wave diode detection is provided by a 6H6 valve, and a divided audio load circuit feeds the grid of a 6F5 high gain triode audio amplifier.

    The oscillator and screen grid circuits are stabilised with 8uF electrolytic condensers to avoid signal drift to variation of oscillator plate voltage, and to minimise audio-frequency distortion due to feed-back circuits.

    Individual coils are provided for the broadcast band, while dual short-wave coils occupy the second can for each stage.

    Chassis is also used in the Salisbury console version.

    See also the later chassis version, Series 2.

    Manufactured by Radio Corp NZ.

    John Stokes noted that the operating voltages in the Version 1 set were too high and added an additional 20k ohm resistor into the HT supply of the frequency changer.
    Notes from the late John Stokes dated May 1936. (Credit NZVRS).

  • Precio durante el primer año
  • 33.00 NZ £
  • Mencionado en
  • -- Original prospect or advert (Franklin Times 27 Nov 1936, Page 6.)
  • Documentación / Esquemas (1)
  • - - Manufacturers Literature (Service Bulletin No. 14)
  Service Bulletin No 14, 1st Edition May 1936. 1331 KB
  • Documentos sobre este modelo
  • Autor
  • Modelo creado por Gary Cowans. Ver en "Modificar Ficha" los participantes posteriores.

 Colecciones | Museos | Literatura

 Forum