41-603P Radio-Phonograph
Philco, Philadelphia Stg. Batt. Co.; USA
- Land
- USA
- Hersteller / Marke
- Philco, Philadelphia Stg. Batt. Co.; USA
- Jahr
- 1940/1941
- Kategorie
- Rundfunkempfänger (Radio - oder Tuner nach WW2)
- Radiomuseum.org ID
- 50733
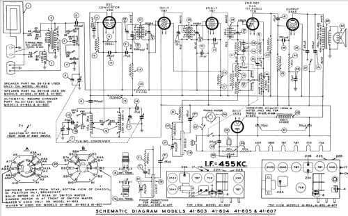
Klicken Sie auf den Schaltplanausschnitt, um diesen kostenlos als Dokument anzufordern.
- Anzahl Röhren
- 6
- Hauptprinzip
- Superhet allgemein; ZF/IF 455 kHz
- Wellenbereiche
- Mittelwelle und Kurzwelle.
- Spezialitäten
- Plattenspieler (kein -Wechsler)
- Betriebsart / Volt
- Wechselstromspeisung / 115 Volt
- Lautsprecher
- Dynamischer LS, keine Erregerspule (permanentdynamisch)
- Material
- Gerät mit Holzgehäuse
- von Radiomuseum.org
- Modell: 41-603P Radio-Phonograph - Philco, Philadelphia Stg. Batt
- Form
- Tischgerät, Truhenform, meist mit Deckel (NICHT Schrägpult).
- Abmessungen (BHT)
- 16 x 12 x 11 inch / 406 x 305 x 279 mm
- Bemerkung
-
Two IF stages.
- Datenherkunft extern
- Ernst Erb
- Datenherkunft
- Collector's Guide to Antique Radios 4. Edition
- Schaltungsnachweis
- Rider's Perpetual, Volume 12 = ca. 1941 and before
- Literaturnachweis
- The Radio Collector's Directory and Price Guide 1921 - 1965
- Literatur/Schema (1)
- Philco Radio 1928-1942 (Philco 1941 RMS Year Book)
- Literatur/Schema (3)
- Philco Folder No. PR 798 for 1941.
- Weitere Modelle
-
Hier finden Sie 4120 Modelle, davon 2227 mit Bildern und 3768 mit Schaltbildern.
Alle gelisteten Radios usw. von Philco, Philadelphia Stg. Batt. Co.; USA