- País
- Holanda
- Fabricante / Marca
- Philips; Eindhoven (tubes international!); Miniwatt
- Año
- 1960 ??
- Categoría
- Televisión (TV) o monitor
- Radiomuseum.org ID
- 251334
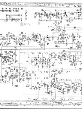
Haga clic en la miniatura esquemática para solicitarlo como documento gratuito.
- Numero de valvulas
- 21
- Válvulas
- PCC88 PCF80 EF85 EF80 EF80 PCL84 PCF80 PCF80 EF80 PCL82 PL84 PCF80 PCF80 ECC82 ECH83 PF86 PCL82 PL36 PY81 DY87
- Principio principal
- Superheterodino en general
- Gama de ondas
- VHF/UHF (see notes for details)
- Tensión de funcionamiento
- Red: Corriente alterna (CA, Inglés = AC) / 220 Volt
- Altavoz
- Altavoz dinámico (de imán permanente) / Ø 15 cm = 5.9 inch
- Material
- Madera
- de Radiomuseum.org
- Modelo: 21TX251A - Philips; Eindhoven tubes
- Forma
- Sobremesa apaisado (tamaño grande).
- Ancho, altura, profundidad
- 550 x 490 x 450 mm / 21.7 x 19.3 x 17.7 inch
- Anotaciones
-
Only VHF
- Peso neto
- 23 kg / 50 lb 10.6 oz (50.661 lb)
- Precio durante el primer año
- 10,000.00 PTE
- Autor
- Modelo creado por Manuel Albano Neves. Ver en "Modificar Ficha" los participantes posteriores.
- Otros modelos
-
Donde encontrará 5279 modelos, 4427 con imágenes y 3461 con esquemas.
Ir al listado general de Philips; Eindhoven (tubes international!); Miniwatt
Colecciones
El modelo es parte de las colecciones de los siguientes miembros.