456A Importé de Hollande
Philips; Eindhoven (tubes international!); Miniwatt
- Country
- Netherlands
- Manufacturer / Brand
- Philips; Eindhoven (tubes international!); Miniwatt
- Year
- 1936/1937
- Category
- Broadcast Receiver - or past WW2 Tuner
- Radiomuseum.org ID
- 136035
Click on the schematic thumbnail to request the schematic as a free document.
- Number of Tubes
- 5
- Main principle
- Superheterodyne (common); ZF/IF 128 kHz; Export model
- Wave bands
- Broadcast, Long Wave and Short Wave.
- Power type and voltage
- Alternating Current supply (AC) / 110; 125; 145; 200; 220; 245 Volt
- Loudspeaker
- Permanent Magnet Dynamic (PDyn) Loudspeaker (moving coil) / Ø 23 cm = 9.1 inch
- Material
- Wooden case
- from Radiomuseum.org
- Model: 456A [Importé de Hollande] - Philips; Eindhoven tubes
- Shape
- Tablemodel, low profile (big size).
- Dimensions (WHD)
- 400 x 343 x 290 mm / 15.7 x 13.5 x 11.4 inch
- Notes
-
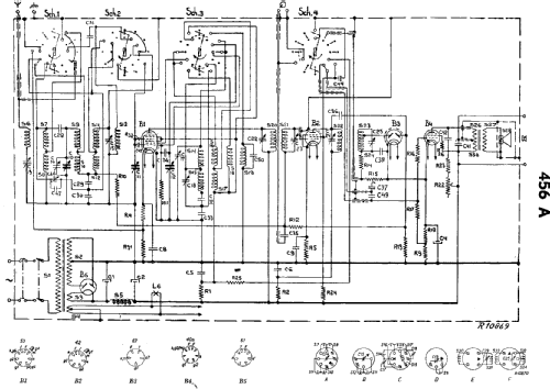
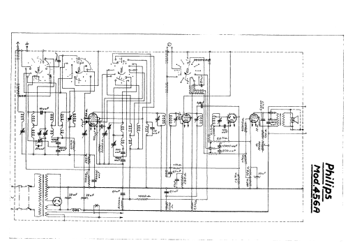
This model is a variant of 456A, destined for export to French language markets. There are specimens with German language dials and such with French language dials.
Compare with the domestic Dutch version 456A. See also models 456A -29 (French) and 456A -20 (Belgian) - both with E series tubes.
This "French Import" model might be described in the Schémathèque Toute la Radio (see 456A [A-Series]), but with an erroneous tube complement.
The type plate indicates manufacture in Eindhoven.
- Net weight (2.2 lb = 1 kg)
- 12.1 kg / 26 lb 10.4 oz (26.652 lb)
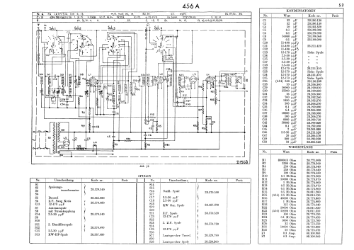
- Literature/Schematics (1)
- -- Original-techn. papers.
- Author
- Model page created by Karlheinz Gützlaff. See "Data change" for further contributors.
- Other Models
-
Here you find 5280 models, 4428 with images and 3461 with schematics for wireless sets etc. In French: TSF for Télégraphie sans fil.
All listed radios etc. from Philips; Eindhoven (tubes international!); Miniwatt
Collections
The model is part of the collections of the following members.