BCH420A
Philips - Schweiz
- Paese
- Svizzera
- Produttore / Marca
- Philips - Schweiz
- Anno
- 1952/1953
- Categoria
- Radio (o sintonizzatore del dopoguerra WW2)
- Radiomuseum.org ID
- 13421
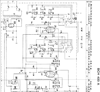
Clicca sulla miniatura dello schema per richiederlo come documento gratuito.
- Numero di tubi
- 6
- Principio generale
- Supereterodina (in generale)
- Gamme d'onda
- Onde medie (OM), lunghe (OL) e corte (OC).
- Tensioni di funzionamento
- Alimentazione a corrente alternata (CA) / 110;125; 200; 220; 245 Volt
- Altoparlante
- AP magnetodinamico (magnete permanente e bobina mobile) / Ø 17 cm = 6.7 inch
- Materiali
- Mobile in legno
- Radiomuseum.org
- Modello: BCH420A - Philips - Schweiz
- Dimensioni (LxAxP)
- 420 x 280 x 185 mm / 16.5 x 11 x 7.3 inch
- Annotazioni
- Siehe auch Jura J-420A
Thermosicherung.
- Prezzo nel primo anno
- 415.00 SFr
- Fonte esterna dei dati
- E. Erb 3-907007-36-0
- Fonte dei dati
- Radiokatalog Band 2, Ernst Erb
- Altri modelli
-
In questo link sono elencati 290 modelli, di cui 216 con immagini e 224 con schemi.
Elenco delle radio e altri apparecchi della Philips - Schweiz
Collezioni
Il modello fa parte delle collezioni dei seguenti membri.