- País
- España
- Fabricante / Marca
- Philips Ibérica, COPRESA, Compañía de Productos Electrónicos, Miniwatt tubes, SELEZ; Madrid, Barcelona
- Año
- 1951
- Categoría
- Radio - o Sintonizador pasado WW2
- Radiomuseum.org ID
- 100091
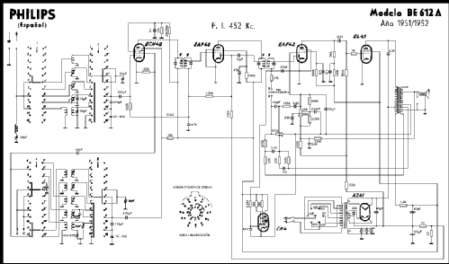
Haga clic en la miniatura esquemática para solicitarlo como documento gratuito.
- Numero de valvulas
- 6
- Principio principal
- Superheterodino en general; ZF/IF 452 kHz; 2 Etapas de AF
- Gama de ondas
- OM y más de dos OC
- Tensión de funcionamiento
- Red: Corriente alterna (CA, Inglés = AC) / 90; 110; 125; 145; 200; 220 Volt
- Altavoz
- Altavoz dinámico (de imán permanente)
- Material
- Madera
- de Radiomuseum.org
- Modelo: BE-612-A - Philips Ibérica, COPRESA,
- Forma
- Sobremesa apaisado (tamaño grande).
- Precio durante el primer año
- 4,631.00 ESP
- Documentación / Esquemas (1)
- -- Original-techn. papers.
- Autor
- Modelo creado por Miguel Bravo-Cos. Ver en "Modificar Ficha" los participantes posteriores.
- Otros modelos
-
Donde encontrará 638 modelos, 532 con imágenes y 469 con esquemas.
Ir al listado general de Philips Ibérica, COPRESA, Compañía de Productos Electrónicos, Miniwatt tubes, SELEZ; Madrid, Barcelona
Colecciones
El modelo es parte de las colecciones de los siguientes miembros.