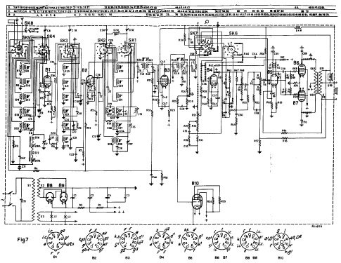
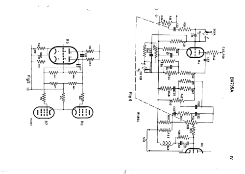
10-buizentoestel voor emigranten BX735A
Philips; Eindhoven (tubes international!); Miniwatt
- País
- Holanda
- Fabricante / Marca
- Philips; Eindhoven (tubes international!); Miniwatt
- Año
- 1953/1954
- Categoría
- Radio - o Sintonizador pasado WW2
- Radiomuseum.org ID
- 29992
Haga clic en la miniatura esquemática para solicitarlo como documento gratuito.
- Numero de valvulas
- 10
- Principio principal
- Superheterodino con paso previo de RF; ZF/IF 452 kHz
- Número de circuitos sintonía
- 7 Circuíto(s) AM
- Gama de ondas
- OM y más de dos OC
- Tensión de funcionamiento
- Red: Corriente alterna (CA, Inglés = AC) / 90; 110; 125; 145; 200; 220 Volt
- Altavoz
- Altavoz dinámico (de imán permanente) / Ø 25 cm = 9.8 inch
- Material
- Madera
- de Radiomuseum.org
- Modelo: 10-buizentoestel voor emigranten BX735A - Philips; Eindhoven tubes
- Forma
- Sobremesa apaisado (tamaño grande).
- Ancho, altura, profundidad
- 600 x 380 x 230 mm / 23.6 x 15 x 9.1 inch
- Anotaciones
-
5 SW ranges. An interphone (Interfoon) unit AF7800 can be retrofitted into this radio.
- Peso neto
- 16 kg / 35 lb 3.9 oz (35.242 lb)
- Precio durante el primer año
- 598.00 Hfl
- Procedencia de los datos
- -- Schematic
- Mencionado en
- - - Manufacturers Literature (Philips Mededelingen, 10 November 1953)
- Autor
- Modelo creado por Iven Müller. Ver en "Modificar Ficha" los participantes posteriores.
- Otros modelos
-
Donde encontrará 5279 modelos, 4427 con imágenes y 3461 con esquemas.
Ir al listado general de Philips; Eindhoven (tubes international!); Miniwatt
Colecciones
El modelo 10-buizentoestel voor emigranten es parte de las colecciones de los siguientes miembros.