Leonardo Luxus 23TD293A
Philips Radios - Deutschland
- Hersteller / Marke
- Philips Radios - Deutschland
- Jahr
- 1961/1962
- Kategorie
- Fernseh-Empfänger/Monitor
- Radiomuseum.org ID
- 105576
-
- Marke: Deutsche Philips-Ges.
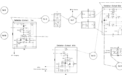
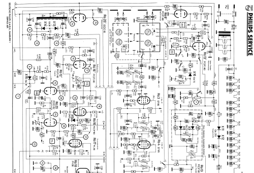
Klicken Sie auf den Schaltplanausschnitt, um diesen kostenlos als Dokument anzufordern.
- Anzahl Röhren
- 25
- Röhren
- PCC88 PCF80 PC86 PC86 EF85 EF85 EF80 EF80 PCF80 PCL84 PCF80 ECH81 PCF80 PCF80 PCL82 PL84 PCF80 ECC82 PCF80 PF86 PCL82 PL36 PY88 DY86 AW59-90 or 23AMP4
- Anzahl Transistoren
- Hauptprinzip
- Superhet allgemein; ZF/IF 38900 kHz
- Wellenbereiche
- Wellen in den Bemerkungen.
- Spezialitäten
- Fernbed/-steuerung (Radio etc.)
- Betriebsart / Volt
- Wechselstromspeisung / 220 Volt
- Lautsprecher
- Dynamischer LS, keine Erregerspule (permanentdynamisch) / Ø 21 cm = 8.3 inch
- Material
- Gerät mit Holzgehäuse
Die GFGF Zeitschrift Funkgeschichte bringt interessante Artikel zu Radios, Funkwesen und Medien. Bei Radiomuseum.org finden Sie die vollständigen Hefte früherer Ausgaben als PDF zum Download.
- von Radiomuseum.org
- Modell: Leonardo Luxus 23TD293A - Philips Radios - Deutschland
- Form
- Tischgerät-gross, - Querformat (breiter als hoch oder quadratisch).
- Abmessungen (BHT)
- 630 x 580 x 430 mm / 24.8 x 22.8 x 16.9 inch
- Bemerkung
-
VHF/UHF.
Einige Dioden mehrfach vorhanden.
- Nettogewicht
- 32 kg / 70 lb 7.8 oz (70.485 lb)
- Originalpreis
- 1,148.00 DM
- Datenherkunft
- HdB d.Rdf-& Ferns-GrH 1961/62
- Autor
- Modellseite von Bernd P. Kieck angelegt. Siehe bei "Änderungsvorschlag" für weitere Mitarbeit.
- Weitere Modelle
-
Hier finden Sie 2548 Modelle, davon 2260 mit Bildern und 1565 mit Schaltbildern.
Alle gelisteten Radios usw. von Philips Radios - Deutschland
Sammlungen
Das Modell Leonardo Luxus befindet sich in den Sammlungen folgender Mitglieder.