- Country
- Spain
- Manufacturer / Brand
- Philips Ibérica, COPRESA, Compañía de Productos Electrónicos, Miniwatt tubes, SELEZ; Madrid, Barcelona
- Year
- 1962/1963
- Category
- Broadcast Receiver - or past WW2 Tuner
- Radiomuseum.org ID
- 195948
Click on the schematic thumbnail to request the schematic as a free document.
- Number of Tubes
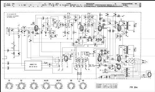
- 9
- Main principle
- Superheterodyne (common); ZF/IF 470/10700 kHz; 2 AF stage(s)
- Wave bands
- Broadcast, Short Wave plus FM or UHF.
- Details
- Record Player (perh.Changer)
- Power type and voltage
- Alternating Current supply (AC) / 110; 127; 220; 240 Volt
- Loudspeaker
- 2 Loudspeakers
- Material
- Wooden case
- from Radiomuseum.org
- Model: F7E-25-A - Philips Ibérica, COPRESA,
- Shape
- Console with Push Buttons.
- Notes
-
Los altavoces son del tipo AD 3700 M/1. El cambiadiscos es el modelo AG 1024-95/F. La cabeza reproductora es la AG 3063.
La potencia consumida, conectado a 125 V, es de 45+10 W.
- Source of data
- -- Original-techn. papers.
- Author
- Model page created by Javier Hurlé. See "Data change" for further contributors.
- Other Models
-
Here you find 638 models, 532 with images and 469 with schematics for wireless sets etc. In French: TSF for Télégraphie sans fil.
All listed radios etc. from Philips Ibérica, COPRESA, Compañía de Productos Electrónicos, Miniwatt tubes, SELEZ; Madrid, Barcelona