- Country
- New Zealand-Aotearoa
- Manufacturer / Brand
- Philips Electrical Industries of New Zealand Ltd.; Wellington
- Year
- 1955 ?
- Category
- Broadcast Receiver - or past WW2 Tuner
- Radiomuseum.org ID
- 347700
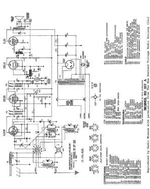
Click on the schematic thumbnail to request the schematic as a free document.
- Number of Tubes
- 5
- Main principle
- Superheterodyne (common); ZF/IF 455 kHz; 2 AF stage(s)
- Tuned circuits
- 6 AM circuit(s)
- Wave bands
- Broadcast and Short Wave (SW).
- Power type and voltage
- Alternating Current supply (AC) / 210-250 Volt
- Loudspeaker
- Permanent Magnet Dynamic (PDyn) Loudspeaker (moving coil)
- Material
- Bakelite or Plastics (type unknown)
- from Radiomuseum.org
- Model: BZ357A - Philips Electrical Industries
- Shape
- Tablemodel, with any shape - general.
- Dimensions (WHD)
- 14.75 x 10.75 x 0 inch / 375 x 273 x 0 mm
- Notes
-
5-Valve superhet dual wave table model receiver.
Includes extension speaker and gramophone pickup connections.
See also Mullard Model 528 (rebadged Philips 357A) and Philips Model 356A (broadcast version).
- Author
- Model page created by Brian Stevens. See "Data change" for further contributors.
- Other Models
-
Here you find 172 models, 166 with images and 129 with schematics for wireless sets etc. In French: TSF for Télégraphie sans fil.
All listed radios etc. from Philips Electrical Industries of New Zealand Ltd.; Wellington