NF-Meßverstärker 7540
Phywe, Physikalische Werkstätten A.G.; Göttingen
- Country
- Germany
- Manufacturer / Brand
- Phywe, Physikalische Werkstätten A.G.; Göttingen
- Year
- 1962 ?
- Category
- Teaching aids-material
- Radiomuseum.org ID
- 180945
Click on the schematic thumbnail to request the schematic as a free document.
- Number of Tubes
- 3
- Main principle
- Audio-Amplification
- Wave bands
- - without
- Power type and voltage
- Powered by external power supply or a main unit. / AC 6,3 V & DC 250 Volt
- Loudspeaker
- - This model requires external speaker(s).
- Material
- Metal case
- from Radiomuseum.org
- Model: NF-Meßverstärker 7540 - Phywe, Physikalische
- Shape
- Tablemodel, with any shape - general.
- Dimensions (WHD)
- 200 x 200 x 240 mm / 7.9 x 7.9 x 9.4 inch
- Notes
-
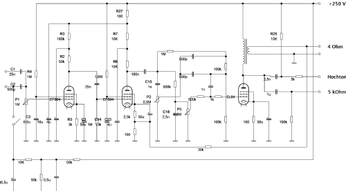
NF-Meßverstärker Phywe 7540, Eingang NF und Fotozelle bzw. Fotodioden,
Ausgang 5 kΩ / 4 Ω, Speisung (Polarisation) für elektrostatischen Hochton-Lautsprecher, Lautstärke- Tiefen- und Höhenregler, dazugehöriges Labornetzgerät Phywe 7532.
- Net weight (2.2 lb = 1 kg)
- 2.4 kg / 5 lb 4.6 oz (5.286 lb)
- Author
- Model page created by Karlheinz Fischer. See "Data change" for further contributors.
- Other Models
-
Here you find 130 models, 97 with images and 32 with schematics for wireless sets etc. In French: TSF for Télégraphie sans fil.
All listed radios etc. from Phywe, Physikalische Werkstätten A.G.; Göttingen
Collections
The model NF-Meßverstärker is part of the collections of the following members.
Museums
The model NF-Meßverstärker can be seen in the following museums.
Forum contributions about this model: Phywe, Physikalische: NF-Meßverstärker 7540
Threads: 1 | Posts: 9
Hätte gerne wissen wollen für was das Teil einzusetzen ist.
Kein Modellblatt gefunden Typ ist warscheinlich( 7540.587 ) lt Typenschild und stammt von Phywe, 3 Röhren EL84 und 2x EF804 sind verbaut. Zum Betrieb ist warscheinlich Fremdspeisung des Geräts nötig, da hinten kein Anschluß vorhanden.
Für Hinweise wäre ich Dankbar
mfG
K.H.Fischer
Weitere vergrößerte Bilder:
Attachments
- Phywe_front (33 KB)
- Phywe_innen (71 KB)
- Phywe_typ (48 KB)
- Phywe_unten (69 KB)
Karlheinz Fischer, 08.Aug.10