- Pays
- Etats-Unis
- Fabricant / Marque
- Pilot Electric Mfg. Co. (Radio Corp.); Brooklyn (NY)
- Année
- 1934
- Catégorie
- Radio - ou tuner d'après la guerre 1939-45
- Radiomuseum.org ID
- 51812
-
- alternative name: Pilot Radio & Television || Pilot Radio and Tube || Pilot Radio Corporation
Cliquez sur la vignette du schéma pour le demander en tant que document gratuit.
- No. de tubes
- 5
- Principe général
- Super hétérodyne (en général); FI/IF 115 kHz
- Gammes d'ondes
- PO, GO et OC
- Tension / type courant
- Alimentation Courant Alternatif (CA) / 115; 125; 150; 220; 240 Volt
- Haut-parleur
- HP dynamique à électro-aimant (électrodynamique)
- Matière
- Boitier en bois
- De Radiomuseum.org
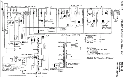
- Modèle: 55 - Pilot Electric Mfg. Co. Radio
- Forme
- Modèle de table générique
- Source extérieure
- Ernst Erb
- Source du schéma
- Rider's Perpetual, Volume 5 = ca. 1934 and before
- D'autres Modèles
-
Vous pourrez trouver sous ce lien 544 modèles d'appareils, 273 avec des images et 412 avec des schémas.
Tous les appareils de Pilot Electric Mfg. Co. (Radio Corp.); Brooklyn (NY)