GT-01 Best. Nr. 07501/02
QUELLE GmbH (Universum); Fürth und Nürnberg
- País
- Alemania
- Fabricante / Marca
- QUELLE GmbH (Universum); Fürth und Nürnberg
- Año
- 1961
- Categoría
- Televisión (TV) o monitor
- Radiomuseum.org ID
- 189355
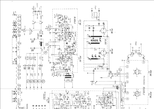
Haga clic en la miniatura esquemática para solicitarlo como documento gratuito.
- Numero de valvulas
- 18
- Válvulas
- PC86 PC86 PCC88 PCF80 EF80 EF80 EF80 PCL84 ECH81 PCL82 EAA91 PCF80 EF80 PCL82 PL36 PY88 DY86 AW59-91
- Principio principal
- Superheterodino en general
- Gama de ondas
- VHF/UHF (see notes for details)
- Tensión de funcionamiento
- Red: Corriente alterna (CA, Inglés = AC) / 220 Volt
- Altavoz
- Altavoz dinámico (de imán permanente)
- Material
- Madera
- de Radiomuseum.org
- Modelo: GT-01 Best. Nr. 07501/02 - QUELLE GmbH Universum; Fürth
- Forma
- Sobremesa de cualquier forma, detalles no conocidos.
- Anotaciones
- Quelle GT-01; 59 cm s/w TV mit CCIR VHF/UHF Tuner.
- Documentación / Esquemas (1)
- -- Original-techn. papers. (Original Quelle Service Unterlagen)
- Autor
- Modelo creado por Josef Pilz. Ver en "Modificar Ficha" los participantes posteriores.
- Otros modelos
-
Donde encontrará 1093 modelos, 917 con imágenes y 518 con esquemas.
Ir al listado general de QUELLE GmbH (Universum); Fürth und Nürnberg