RA56A
Radiola (marque)
- Country
- France
- Manufacturer / Brand
- Radiola (marque)
- Year
- 1936/1937
- Category
- Broadcast Receiver - or past WW2 Tuner
- Radiomuseum.org ID
- 111248
-
- Brand: SFER
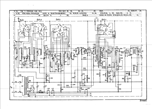
Click on the schematic thumbnail to request the schematic as a free document.
- Number of Tubes
- 4
- Main principle
- Superheterodyne (common)
- Wave bands
- Broadcast, Long Wave and Short Wave.
- Power type and voltage
- Alternating Current supply (AC) / 110; 125; 145; 200; 220; 245 Volt
- Loudspeaker
- Permanent Magnet Dynamic (PDyn) Loudspeaker (moving coil)
- Material
- Wooden case
- from Radiomuseum.org
- Model: RA56A - Radiola marque
- Shape
- Tablemodel, with any shape - general.
- Dimensions (WHD)
- 485 x 420 x 280 mm / 19.1 x 16.5 x 11 inch
- Notes
-
Équivalent au Philips Sérénade 695A -29.
- Price in first year of sale
- 1,950.00 FRF
- External source of data
- Frédéric Fausel
- Mentioned in
- -- Original prospect or advert (Sept. 1936)
- Author
- Model page created by Patrice Zeissloff. See "Data change" for further contributors.
- Other Models
-
Here you find 858 models, 568 with images and 276 with schematics for wireless sets etc. In French: TSF for Télégraphie sans fil.
All listed radios etc. from Radiola (marque)