T-100-4 Ch= 4RT1
Raytheon Mfg. Co.; Cambridge, MA
- Pays
- Etats-Unis
- Fabricant / Marque
- Raytheon Mfg. Co.; Cambridge, MA
- Année
- 1956
- Catégorie
- Radio - ou tuner d'après la guerre 1939-45
- Radiomuseum.org ID
- 71798
Cliquez sur la vignette du schéma pour le demander en tant que document gratuit.
- No. de transistors
- 4
- Semi-conducteurs
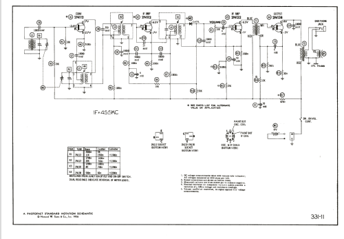
- 2N252 or. 2N112 or. CK760 2N308 or. 2N112 or. CK760 2N238 or. 2N132 2N185 or. 2N138 CK706A
- Principe général
- Super hétérodyne (en général); FI/IF 455 kHz; 2 Etage(s) BF
- Circuits accordés
- 4 Circuits MA (AM)
- Gammes d'ondes
- PO uniquement
- Tension / type courant
- Piles (rechargeables ou/et sèches) / 9 Volt
- Haut-parleur
- HP dynamique à aimant permanent + bobine mobile / Ø 2.75 inch = 7 cm
- Matière
- Plastique moderne (pas de bakélite, ni de catalin)
- De Radiomuseum.org
- Modèle: T-100-4 Ch= 4RT1 - Raytheon Mfg. Co.; Cambridge,
- Forme
- Portable, appareil de poche. Taille < 20cm
- Dimensions (LHP)
- 6.375 x 3.375 x 2 inch / 162 x 86 x 51 mm
- Remarques
- This first pocket transistor radio from Raytheon Mfg. Co., the radio model T-100, came in 5 different colors: T-100-1 = black/yellow, T-100-2 in ivory/yellow, T-100-3 in black/red, T-100-4 in ivory/red and T-100-5 in ivory/gray. Raytheon made it under the license of RCA and customized it also for Hallicrafters as model 4RT3, Airline as model BR-1102A and for Truetone as model D3715A in Turquoise. There are different schematic sources depending on the brand. Some have different values. Please check here for more information about this model family and about the differences.
Right front round brass dial with below a thumb wheel on/off/volume knob or wheel in front. In the middle a checkered grill area. The right is a free area for brand, name etc. 1 Germanium diode. No reflex circuit used. Earphone receptacle. For the semiconductors see the equivalent list by clicking the one you need on the list of the four transistors.
Interesting: For Hallicrafters the case was reversed and the thumb wheel on the front was turned into a thumb wheel on the top. Clever idea to hide its origin. See about schematics and differences between them in this explaining text.
- Littérature
- Beitman Radio Diagrams, Vol. 16, 1956 (page 132.)
- Schémathèque (1)
- Photofact Folder, Howard W. SAMS (Date 7-58, set 405, folder 15 - is actually for Truetone model D3715A - but this is the same.)
- Auteur
- Modèle crée par Ernst Erb. Voir les propositions de modification pour les contributeurs supplémentaires.
- D'autres Modèles
-
Vous pourrez trouver sous ce lien 342 modèles d'appareils, 160 avec des images et 258 avec des schémas.
Tous les appareils de Raytheon Mfg. Co.; Cambridge, MA