Jubilé ? 7529
Resonar (Marke / marque / marca /brand)
- Paese
- Svizzera
- Produttore / Marca
- Resonar (Marke / marque / marca /brand)
- Anno
- 1956/1957
- Categoria
- Radio (o sintonizzatore del dopoguerra WW2)
- Radiomuseum.org ID
- 13501
-
- alternative name: Rediffusion AG; Zürich
Clicca sulla miniatura dello schema per richiederlo come documento gratuito.
- Numero di tubi
- 8
- Numero di transistor
- Principio generale
- Supereterodina con stadio RF
- N. di circuiti accordati
- 6 Circuiti Mod. Amp. (AM) 10 Circuiti Mod. Freq. (FM)
- Gamme d'onda
- Onde medie (OM), lunghe (OL), corte (OC) e MF (FM).
- Particolarità
- Wired Wireless Receiver (RF!)
- Tensioni di funzionamento
- Alimentazione a corrente alternata (CA) / 110-250 Volt
- Altoparlante
- 2 altoparlanti
- Materiali
- Mobile in legno
- Radiomuseum.org
- Modello: Jubilé ? 7529 - Resonar Marke / marque / marca
- Forma
- Soprammobile con pulsantiera/tastiera.
- Annotazioni
- HF-TR.
- Prezzo nel primo anno
- 495.00 SFR
- Fonte esterna dei dati
- E. Erb 3-907007-36-0
- Fonte dei dati
- Radiokatalog Band 2, Ernst Erb
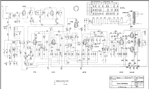
- Letteratura / Schemi (1)
- -- Schematic
- Bibliografia immagini
- Das Modell ist im «Radiokatalog» (Erb) abgebildet.
- Altri modelli
-
In questo link sono elencati 24 modelli, di cui 23 con immagini e 17 con schemi.
Elenco delle radio e altri apparecchi della Resonar (Marke / marque / marca /brand)
Collezioni
Il modello Jubilé ? fa parte delle collezioni dei seguenti membri.