Amateur 58
RIM bzw. Radio-RIM; München
- Pays
- Allemagne
- Fabricant / Marque
- RIM bzw. Radio-RIM; München
- Année
- 1958 ?
- Catégorie
- Récepteur amateur (bandes amateurs, ev. avec bande AM)
- Radiomuseum.org ID
- 101697
-
- Brand: Radiola-Industrie GmbH
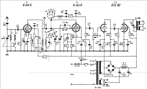
Cliquez sur la vignette du schéma pour le demander en tant que document gratuit.
- No. de tubes
- 2
- Principe général
- Récepteur TRF - par réaction (régénératif); 2 Etage(s) BF
- Circuits accordés
- 1 Circuits MA (AM)
- Gammes d'ondes
- Bandes en notes
- Tension / type courant
- Alimentation Courant Alternatif (CA) / 110; 125; 220; 240 Volt
- Haut-parleur
- - Pour casque ou amplificateur BF
- Matière
- Boitier métallique
- De Radiomuseum.org
- Modèle: Amateur 58 - RIM bzw. Radio-RIM; München
- Forme
- Chassis (pour intégration dans meuble)
- Dimensions (LHP)
- 270 x 180 x 180 mm / 10.6 x 7.1 x 7.1 inch
- Remarques
- Kurzwellen-Audion für 5 Amateurbänder. Original-Preis ist Bausatzpreis. Erweiterungsbausatz zum Zweikreiser 16,- DM.
- Prix de mise sur le marché
- 139.00 DM
- Littérature
- -- Original prospect or advert
- Auteur
- Modèle crée par Otto Frosinn. Voir les propositions de modification pour les contributeurs supplémentaires.
- D'autres Modèles
-
Vous pourrez trouver sous ce lien 313 modèles d'appareils, 299 avec des images et 242 avec des schémas.
Tous les appareils de RIM bzw. Radio-RIM; München
Musées
Le modèle Amateur peut être vu dans les musées suivants.