Stereo-Mischverstärker Imperator S
RIM bzw. Radio-RIM; München
- Country
- Germany
- Manufacturer / Brand
- RIM bzw. Radio-RIM; München
- Year
- 1965
- Category
- Audio Amplifier or -mixer
- Radiomuseum.org ID
- 227126
-
- Brand: Radiola-Industrie GmbH
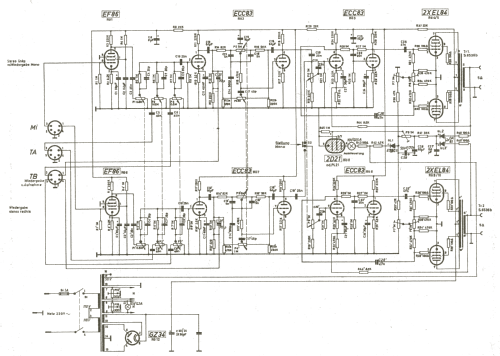
Click on the schematic thumbnail to request the schematic as a free document.
- Number of Tubes
- 12
- Number of Transistors
- 6
- Main principle
- Audio-Amplification
- Wave bands
- - without
- Power type and voltage
- Alternating Current supply (AC) / 110; 220 Volt
- Loudspeaker
- - This model requires external speaker(s).
- Power out
- 35 W (undistorted)
- Material
- Metal case
- from Radiomuseum.org
- Model: Stereo-Mischverstärker Imperator S - RIM bzw. Radio-RIM; München
- Shape
- Book-shelf unit.
- Dimensions (WHD)
- 450 x 140 x 280 mm / 17.7 x 5.5 x 11 inch
- Notes
-
RIM Imperator S entspricht Modell Imperator, zusätzlich ist ein transistorisierter Entzerrer-Vorverstärker (RIAA) für den Anschluss von Magnetsystemen und eine Umschaltung piano-forte eingebaut. Je 2 Tasten für TA Magnet und TA Kristall (unter Umgehung des Vorverstärkers).
Preisangabe für Bausatz, Fertiggerät 658,-DM (Stand 1965).
Ein vorhandener Imperator konnte nachträglich mit der Vorverstärker-Umschalter Baugruppe und der passenden Frontplatte erweitert werden. Preis des Ergänzungsbausatzes: 79,-DM, Fertiggerät 99,80 DM.
- Net weight (2.2 lb = 1 kg)
- 14.5 kg / 31 lb 15 oz (31.938 lb)
- Price in first year of sale
- 478.00 DM
- Literature/Schematics (1)
- Radio RIM Bastelbuch 1965 S. 68ff , S. 327
- Author
- Model page created by Günther Stabe † 19.8.20. See "Data change" for further contributors.
- Other Models
-
Here you find 313 models, 299 with images and 242 with schematics for wireless sets etc. In French: TSF for Télégraphie sans fil.
All listed radios etc. from RIM bzw. Radio-RIM; München