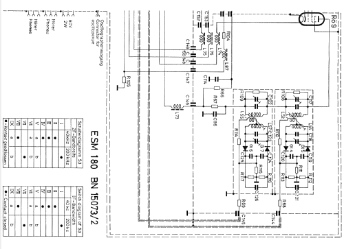
VHF-Überwachungsempfänger ESM180 (BN 15073/2)
Rohde & Schwarz, PTE; München
- Paese
- Germania
- Produttore / Marca
- Rohde & Schwarz, PTE; München
- Anno
- 1960–1965 ??
- Categoria
- Ricevitore professionale (può includere bande amatoriali)
- Radiomuseum.org ID
- 96460
-
- alternative name: Messgerätebau Memmingen || Physikalisch-Technisches Entwicklungslabor Dr. Rohde & Dr. Schwarz
Clicca sulla miniatura dello schema per richiederlo come documento gratuito.
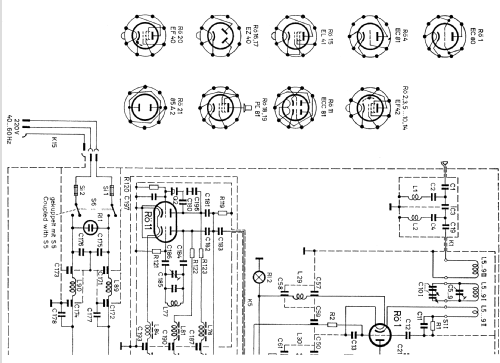
- Numero di tubi
- 18
- Principio generale
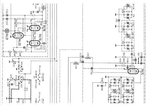
- Supereterodina con stadio RF; ZF/IF 21400/3400 kHz
- Gamme d'onda
- Gamme d'onda nelle note.
- Tensioni di funzionamento
- Alimentazione a corrente alternata (CA) / 110; 125; 220; 235 Volt
- Altoparlante
- AP magnetodinamico (magnete permanente e bobina mobile)
- Materiali
- Mobile di metallo
- Radiomuseum.org
- Modello: VHF-Überwachungsempfänger ESM180 - Rohde & Schwarz, PTE; München
- Forma
- Boatanchor (pesante apparecchio militare o commerciale, > 20 kg)
- Dimensioni (LxAxP)
- 540 x 234 x 378 mm / 21.3 x 9.2 x 14.9 inch
- Annotazioni
-
30 - 180 MHz in five ranges, AM/FM/CW (BFO), IF bandwidths 40 and 200 kHz. Widly used for VHF interception by german and allied forces and astronomical/satellite observations.
See also Rohde & Schwarz VHF-Überwachungsempfänger ESM180 BN15072 and it's predecessor UKW-Meßempfänger 20/110 ESM BN1507 from the year 1949.
- Letteratura / Schemi (1)
- -- Original-techn. papers.
- Autore
- Modello inviato da un iscritto da D. Utilizzare "Proponi modifica" per inviare ulteriori dati.
- Altri modelli
-
In questo link sono elencati 557 modelli, di cui 516 con immagini e 258 con schemi.
Elenco delle radio e altri apparecchi della Rohde & Schwarz, PTE; München
Collezioni
Il modello VHF-Überwachungsempfänger fa parte delle collezioni dei seguenti membri.
Musei
Il modello VHF-Überwachungsempfänger può essere visto nei seguenti musei.