Bildmustergenerator BG256A
Sachsenwerk Radeberg, VEB; Radeberg (Ostd.)
- Pays
- Allemagne
- Fabricant / Marque
- Sachsenwerk Radeberg, VEB; Radeberg (Ostd.)
- Année
- 1954 ?
- Catégorie
- Appareils de mesure et de dépannage (matériel de labo)
- Radiomuseum.org ID
- 191265
Cliquez sur la vignette du schéma pour le demander en tant que document gratuit.
- No. de tubes
- 3
- No. de transistors
- Semi-conducteurs
- Tr.Gl.=Metal-rectif.
- Gammes d'ondes
- - sans
- Tension / type courant
- Alimentation Courant Alternatif (CA) / 110; 127; 220; 240 Volt
- Haut-parleur
- - - Pas de sortie basse fréquence
- Matière
- Boitier métallique
- De Radiomuseum.org
- Modèle: Bildmustergenerator BG256A - Sachsenwerk Radeberg, VEB;
- Forme
- Modèle de table générique
- Dimensions (LHP)
- 137 x 140 x 220 mm / 5.4 x 5.5 x 8.7 inch
- Remarques
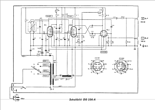
- Das Gerät dient zum Prüfen des Bildteiles von Fernsehempfängern. Es liefert ein Videosignal mit Zeilen- und Rastersynchronisations-Impulsen. Das Bildmuster zeigt gekreuzte Balken. Zwei Ausgänge verschiedener Polarität: Video +1 V, 150 Ohm; Video -3 V, 150 Ohm. Der negative eignet sich auch zur Modulation eines Messsenders.
- Poids net
- 3.5 kg / 7 lb 11.3 oz (7.709 lb)
- Source
- -- Original prospect or advert
- Littérature
- Messgeräte für die Reparaturpraxis, 1956
- Auteur
- Modèle crée par Wolfgang Eckardt. Voir les propositions de modification pour les contributeurs supplémentaires.
- D'autres Modèles
-
Vous pourrez trouver sous ce lien 36 modèles d'appareils, 35 avec des images et 22 avec des schémas.
Tous les appareils de Sachsenwerk Radeberg, VEB; Radeberg (Ostd.)